hola!
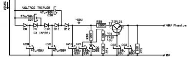
estoy buscando y no encuentro cómo realizar un step-up para pasar de un voltaje (DC) de 5v o de 12v por ejemplo a 48v para la phantom.
Cuál es el método que usa cualquier interface de sonido USB entrega los 48v en su previo procedentes de los 5v del propio puerto USB.
Yo quiero usar un simple transformador de 12v que entrega una señal DC, filtrarla y regularla.
Supongo que el método será usar un integrado DC-DC converter ¿cuál? quiza dos dc-dc que entreguen 24v cada uno...
Un saludo y gracias!
estoy buscando y no encuentro cómo realizar un step-up para pasar de un voltaje (DC) de 5v o de 12v por ejemplo a 48v para la phantom.
Cuál es el método que usa cualquier interface de sonido USB entrega los 48v en su previo procedentes de los 5v del propio puerto USB.
Yo quiero usar un simple transformador de 12v que entrega una señal DC, filtrarla y regularla.
Supongo que el método será usar un integrado DC-DC converter ¿cuál? quiza dos dc-dc que entreguen 24v cada uno...
Un saludo y gracias!
Responder
Citar
