Os presento mis primeros pinitos con arduino, he construido este sencillisimo controlador midi a partir de la placa arduino UNO, con 5 potenciometros y basandome en un par de códigos (http://starfiretech.wordpress.com/2009/12/08/simple-arduino-midi-controler/) que encontré googleando.
me gusta como queda estéticamente
[ Imagen externa no disponible ]
aquí dejo el código:
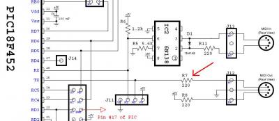
y aqui os dejo el esquema en el que me basé, es prácticamente igual, excepto porque el mio tiene un potenciometro menos

mi siguiente objetivo es aumentar el numero de entradas analogicas para añadir mas potenciometros, pero todabia estoy experimentando con el multiplexado...
un saludo!
me gusta como queda estéticamente
[ Imagen externa no disponible ]
aquí dejo el código:
Alguien escribió:
void setup()
{
Serial.begin(31250); // Default speed of MIDI serial port
pinMode(13, OUTPUT); // Light LED on pin 13 to notify of readynes
digitalWrite(13, HIGH);
}
int iAn0Val=0;
int iAn1Val=0;
int iAn2Val=0;
int iAn3Val=0;
int iAn4Val=0;
void loop()
{
//1
int iAn0ValPrev = iAn0Val;
iAn0Val = analogRead(0)/8;
analogPinMidiTX(1,iAn0Val,iAn0ValPrev);
//2
int iAn1ValPrev = iAn1Val;
iAn1Val = analogRead(1)/8;
analogPinMidiTX(2,iAn1Val,iAn1ValPrev);
//3
int iAn2ValPrev = iAn2Val;
iAn2Val = analogRead(2)/8;
analogPinMidiTX(3,iAn2Val,iAn2ValPrev);
//4
int iAn3ValPrev = iAn3Val;
iAn3Val = analogRead(3)/8;
analogPinMidiTX(4,iAn3Val,iAn3ValPrev);
//5
int iAn4ValPrev = iAn4Val;
iAn4Val = analogRead(4)/8;
analogPinMidiTX(5,iAn4Val,iAn4ValPrev);
}
void analogPinMidiTX(int iChan, int iVal, int iValPrev)
{
//only TX the value over midi if it is changed, as to prevent spamming the midi port and thus confusing the receiving application in learning mode
if(iValPrev != iVal)
{
MidiTX(176,iChan,iVal);
}
}
void MidiTX(unsigned char MESSAGE, unsigned char CONTROL, unsigned char VALUE) //pass values out through standard Midi Command
{
Serial.print(MESSAGE);
Serial.print(CONTROL);
Serial.print(VALUE);
}
y aqui os dejo el esquema en el que me basé, es prácticamente igual, excepto porque el mio tiene un potenciometro menos

mi siguiente objetivo es aumentar el numero de entradas analogicas para añadir mas potenciometros, pero todabia estoy experimentando con el multiplexado...
un saludo!
1
Responder
Citar
