Más chips para nuevos sintes analógicos, ahora con Sound Semiconductor
Escaso riesgo asume Sound Semiconductor al enfocarse a un mercado en momento dulce. Lanza un chip de filtro tipo SSM2044 y otro de cuádruple VCA para las tripas de futuros sintes analógicos.
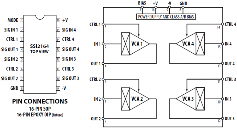
Muchos pensamos que ya está bien de tanto analógico, pero el caso es que en estas aguas revueltas muchos quieren sumarse a pescar. Ahora Sound Semiconductor parte del diseño ya creado y más que testado del chip de filtro SSM2044 que en su momento diseñara Dave Rossum (fundador de Emu-Systems) y proponen su reedición con mínimos cambios de mejora tecnológica sin alterar su esencia, nombrándolo SSI2144. Junto con ese diseño lanzan también un cuádruple VCA (SSI2164) que admite modos de amplificación clase A y clase A/B para respectivamente favorecer baja distorsión o bajo ruido.
Con la noticia de la reedición del CEM3340 que dábamos hace poco y que correspondía a osciladores tipo VCO, cualquier persona capacitada en electrónica podría convertirse en un nuevo Dave Smith. Eso por no hablar de los chips clonados de CoolAudio (empresa asociada a MusicGroup y Behringer).
El precio al que se van a comercializar los nuevos filtros (para pedidos de 1000 unidades rondará el dólar y medio por pieza) permite pensar en que se incorporen a otra oleada de sintes analógicos, y mira que van unas cuantas ya...
Más información | Sound Semiconductor



