Bueno, el error se supone que afecta a las placas que controlan la cpu de la máquina... ¿A alguien se le ha presentado este problema?

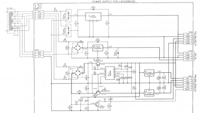
Por la zona verde si que pasa corriente en las resistencias, en el resto de zonas(rojas) 0 corriente por las resistencias... incluso en las que no está seleccionado en rojo.
La zona verde me da a pensar que lidera la pantalla (en frente de esos circuitos integrados y resistencias está el frontal de la máquina con la pantalla) ya que la pantalla funciona sin problemas y la disquetera también, el único problema es que no arranca el sistema operativo.

La máquina recibe la corriente alterna por el cable general de luz y hay un selector de voltajes (220) , esta energía va a parar a un transformador reductor (ahora ya es corriente continua) que divide la energía en 4 partes:
-El primer fusible controla la luz de la máquina, si lo quito se apaga la pantalla.
-El segundo controla la disquetera, si lo quito no funciona.
-El tercer y segundo fusibles controlan las placas y son los que no transmiten voltaje...
Del transformador salen 3 cables mas en forma de enchufe independiente, pero esos cables están entrelazados con los anteriores siguiendo el esquema, y el tercero que es el que esta conectado a los 2 naranjas que no funcionan también entrega 0 voltios...
¿Que debería comprobar?

Por la zona verde si que pasa corriente en las resistencias, en el resto de zonas(rojas) 0 corriente por las resistencias... incluso en las que no está seleccionado en rojo.
La zona verde me da a pensar que lidera la pantalla (en frente de esos circuitos integrados y resistencias está el frontal de la máquina con la pantalla) ya que la pantalla funciona sin problemas y la disquetera también, el único problema es que no arranca el sistema operativo.

La máquina recibe la corriente alterna por el cable general de luz y hay un selector de voltajes (220) , esta energía va a parar a un transformador reductor (ahora ya es corriente continua) que divide la energía en 4 partes:
-El primer fusible controla la luz de la máquina, si lo quito se apaga la pantalla.
-El segundo controla la disquetera, si lo quito no funciona.
-El tercer y segundo fusibles controlan las placas y son los que no transmiten voltaje...
Del transformador salen 3 cables mas en forma de enchufe independiente, pero esos cables están entrelazados con los anteriores siguiendo el esquema, y el tercero que es el que esta conectado a los 2 naranjas que no funcionan también entrega 0 voltios...
¿Que debería comprobar?
Responder
Citar








