Buenas a todos.
Os comento a ver si alguien me puede echar un cable y darme norte.
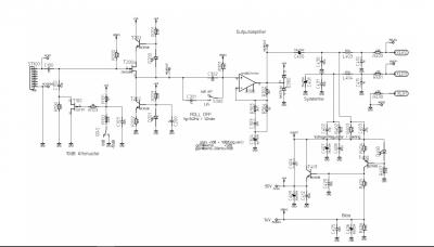
Tengo un Akg c3000b desde hace bastantes años... mas de 10 diria yo... Es un micro que, aunque no es el principal de mi estudio, le doy bastantes utilidades... la cosa es que desde hace un tiempo, en determinadas ocasiones (no lo hace siempre) mete un ruido tipo "hum"... las primeras veces que lo hacia, al tocar la rejilla parecía que se descargaba de estática y dejaba de sonar dicho "hum"... pero ya ha llegado a un punto en el que el ruido es constante y no hay forma de quitarlo...
Entiendo que el micrófono se ha averiado. La verdad es que me gustaría repararlo yo mismo, pero no se ni por donde empezar o si va a merecer la pena...
Por otro lado, también estaba pensando en hacer un "mod" con este micro, pero tampoco encuentro modificaciones descritas por la web.
Os agradecería cualquier ayuda que podáis ofrecerme.
Un saludo
Os comento a ver si alguien me puede echar un cable y darme norte.
Tengo un Akg c3000b desde hace bastantes años... mas de 10 diria yo... Es un micro que, aunque no es el principal de mi estudio, le doy bastantes utilidades... la cosa es que desde hace un tiempo, en determinadas ocasiones (no lo hace siempre) mete un ruido tipo "hum"... las primeras veces que lo hacia, al tocar la rejilla parecía que se descargaba de estática y dejaba de sonar dicho "hum"... pero ya ha llegado a un punto en el que el ruido es constante y no hay forma de quitarlo...
Entiendo que el micrófono se ha averiado. La verdad es que me gustaría repararlo yo mismo, pero no se ni por donde empezar o si va a merecer la pena...
Por otro lado, también estaba pensando en hacer un "mod" con este micro, pero tampoco encuentro modificaciones descritas por la web.
Os agradecería cualquier ayuda que podáis ofrecerme.
Un saludo
Responder
Citar
