Hola hace un año compre de segunda mano esta Urei y me ha encantado.
Necesito ponerle un fader y pre escucha en la entrada de micro/line y ponerle un knob a la pre escucha
original para bajarla el volumen. Si ya pudiese ponerle ecu media al mic/line, seria todo un lujazo.
No tengo dinero para otra mesa con mas canales ni quiero deshacerme de la urei, me encanta!
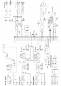
He mirado el manual y el blok diagram. Pero no se que tipos de piezas necesito comprar ni donde ni lo que valen.
No tengo ni idea del asunto tengo muchas ganas e ilusion y no es la primera vez que me pongo con un proyecto
complicado sin saber nada. Si alguien me pudiese aconsejar como hacer esto seria genial! Quiero darle mas vida
a esta mesa tan estupenda y batallera.
Les escribi al servicio tecnico de la marca y me enviaron un pdf con todas las piezas y sus nombres y detalles de
toda la circuiteria y sistema de la mesa.
Necesito ponerle un fader y pre escucha en la entrada de micro/line y ponerle un knob a la pre escucha
original para bajarla el volumen. Si ya pudiese ponerle ecu media al mic/line, seria todo un lujazo.
No tengo dinero para otra mesa con mas canales ni quiero deshacerme de la urei, me encanta!
He mirado el manual y el blok diagram. Pero no se que tipos de piezas necesito comprar ni donde ni lo que valen.
No tengo ni idea del asunto tengo muchas ganas e ilusion y no es la primera vez que me pongo con un proyecto
complicado sin saber nada. Si alguien me pudiese aconsejar como hacer esto seria genial! Quiero darle mas vida
a esta mesa tan estupenda y batallera.
Les escribi al servicio tecnico de la marca y me enviaron un pdf con todas las piezas y sus nombres y detalles de
toda la circuiteria y sistema de la mesa.
Responder
Citar
