Hola, compañeros. Ya estoy de vuelta por aquí

Os cuento:
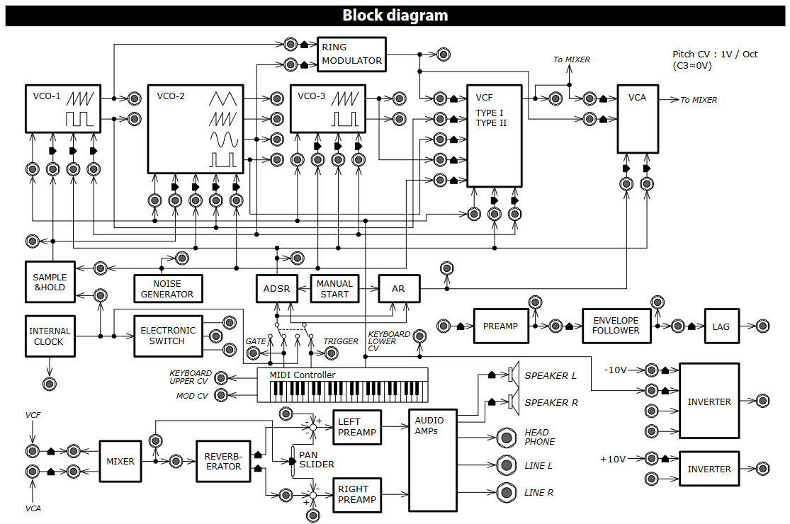
He preparado un osciloscopio para visualizar lo que ocurre en cada clavija de jack, Input o Output, ya que esto tampoco lo tenía yo claro, como novato que soy en este magnífico sinte Behringer 2600.
Algunas cosas que voy aclarando (por favor, corregidme si me equivoco) y que escribo aquí por si llega otro novato y le sirve de provecho, son:
.
* Que los osciladores generan las siguientes ondas de forma preestablecida:
- Oscilador 1: Pulse
- Oscilador 2: Pulse
- Oscilador 3: Diente de sierra
.
* Que la fila de numerosos conectores jack que hay debajo de los faders verticales, transportan la señal preestablecida que indica en sus correspondientes cuadraditos inferiores pero que, si se introduce un jack macho, este flujo de señal se interrumpe (o anula) para recibir la señal que se desee conectar a través del repetido jack macho. Esto es algo que, como novato, no terminaba de entender porque venía del Neutron, en el que están claramente serigrafiados los que son Input y los que son Output
.
* Que las clavijas de jack que están junto a serigrafías con "flechas de salida" y que suelen tener la leyenda "OUTPUT", evidentemente, son salidas (bien sea de LFO, Preamp, Modulación en anillo, Generador de Ruido, Sample and Hold... o las diferentes Ondas de cada uno de los 3 Osciladores, AR, ADSR, Mixer, Reverb, etc) cuya salida (Out) se puede pinchar con un jack macho y dirigirla o llevarla a una entrada (In) distinta (fuera del flujo de señal preestablecido de fábrica)
.
Ya sé que esto no es mucho pero si a otro novato le allana el camino, me alegro

Se agradecen más aclaraciones de este estilo, para que podamos conocer mejor nuestro sinte

Gracias y un saludo!