Saludos
Un colega electronico me esta poniendo a punto una vestax PCV-002 a la que convendria cambiarle alguno de los potes de EQ.
El caso es que el no los encuentra por ninguno de sus canales habituales
Me pregunto si algun puntal hispasonico sabe donde se puEden pillar
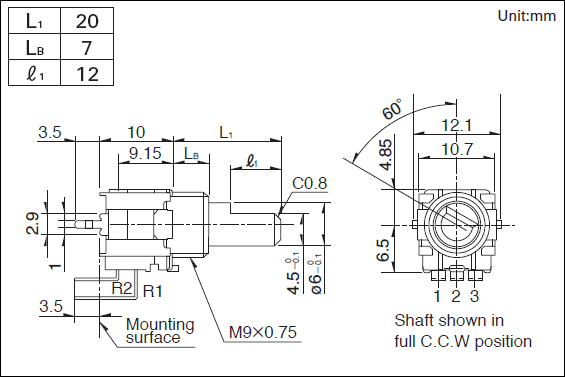
Segun leemos en el manual de servicio, la ref de vestax para esos potes es:
V0209L1200
GraCIAS!
Un colega electronico me esta poniendo a punto una vestax PCV-002 a la que convendria cambiarle alguno de los potes de EQ.
El caso es que el no los encuentra por ninguno de sus canales habituales
Me pregunto si algun puntal hispasonico sabe donde se puEden pillar
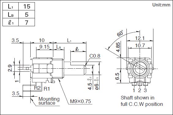
Segun leemos en el manual de servicio, la ref de vestax para esos potes es:
V0209L1200
GraCIAS!
Responder
Citar













