Hola amigos.
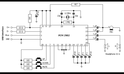
Pues nada, que he estado investigando y buscando proyectos DIY sobre creación de interfaces USB. El problema es que en todos los esquemáticos que encuentro la entrada es de micrófono y no se como cambiar a linea (usaré la interfaz para grabar instrumentos).
Pues nada, que he estado investigando y buscando proyectos DIY sobre creación de interfaces USB. El problema es que en todos los esquemáticos que encuentro la entrada es de micrófono y no se como cambiar a linea (usaré la interfaz para grabar instrumentos).
Responder
Citar
