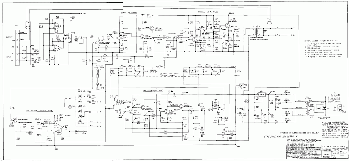
Para litan: yo prefiero toda la vida el sonido con transformador de entrada, la version gyraf lleva el NE5532 que suena correcto y muy bien pero se aleja un poco del sonido del viejo Urei Black Face, con el IC de entrada suena como el Silver face revision G, aclaro que la empresa UREI produjo hasta la serie K, la serie G es casi identica al Gyraf y no es un invento de gyraf esa serie, lo que el hizo es solo reemplazar los transistores por otros y hacer un PCB, nada mas que eso, la serie G con IC de entrada existe, en el estudio Panda de Buenos aires donde realice algunos trabajaos tienen el serie G silver face y tienen el viejo black face con trafo UTC, el dueño prefiere el black aunque el silver tambien esta muy bueno, suena mas plastico segun su dueño.
Lo bueno del serie G es que es muy barato el IC, el problema con el PCB de Mnats es que produce un pequeño HUM de fondo cuando se lo utiliza con IC, muy pequeño pero esxiste, el Urei solo produce Hiss per nada de HUM, el Mnats sin IC y con transformador no produce HUM por suerte.
Lo bueno del serie G es que es muy barato el IC, el problema con el PCB de Mnats es que produce un pequeño HUM de fondo cuando se lo utiliza con IC, muy pequeño pero esxiste, el Urei solo produce Hiss per nada de HUM, el Mnats sin IC y con transformador no produce HUM por suerte.
Responder
Citar


¿Alguien mas lo puede corroborar?