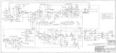
Hola acabo de acabar un gyraf 1176 y me he encontrado bastante ruido hum, probando me he dado cuen que si conecto el caliente de la entrada a masa baja 10 db el ruido, sin disminuir la entrada, me gustaria saber el porque.. me intriga.. es una buena solucion? o habria mejores? aka dejo el esquema. es balanceado electronico por medio de 5532. Muchas gracias y saludos.
X
Últimos días
Duda sobre balanceo y ruido de masas en 1176
OFERTAS Ver todas
-
-12%K Multimedia iLoud Micro Monitor Pro
-
-13%Kawai ES-60
-
-20%Moog Messenger
Nuevo post
Regístrate o identifícate para poder postear en este hilo
