¿Cómo grabar una llamada telefónica para radio?

Solucionado
  • 2
Pep
por el 26/01/2008
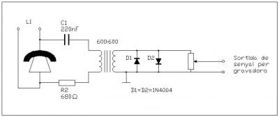
Con cuatro componentes lo tienes resuelto:
[attachment=0:6a20c]Porta-retalls02.jpg[/attachment:6a20c]

Un pequeño transformador de 600 Ohms, un condensador, una resistencia, dos diodos y una resistencia variable de 10K para ajustar el nivel de señal y a volar.

Espero que os sirva.

Un saludo,

Pep :)
Archivos adjuntos ( para descargar)
Porta-retalls02.jpg
OFERTAS EN TIENDAS Ver todas
  • -12%
    Zoom LiveTrak L-8
    366 €
    Ver oferta
  • -40%
    Sonicware SmplTrek
    299 €
    Ver oferta
  • -26%
    Behringer DeepMind 6X
    507 €
    Ver oferta
SEGUNDA MANO EN MERCASONIC Ver todo
  • Controladora USB Behringer BCF2000 con embalaje original
    125 €
    Ver
  • Hologram Electronics Microcosm
    490 €
    Ver
  • Digidesign DIGI 001 / Interface para PRO TOOLS 32 bits + SOFTWARE ORIGINAL PT 6.9 + TDM
    120 €
    Ver
¿Tienes equipo que ya no usas? Véndelo en Mercasonic
Soyuz mod
por el 27/01/2008
Gracias pep_v, pero si intentase montar yo ese esquema, probablemente ardería toda la casa; no tengo ni idea de electrónica...

La cosa no es tan sencilla como había pensado. El caso es que grabar la llamada directamente del teléfono, sin más, tampoco me vale. Del teléfono únicamente necesito grabar la voz de mi interlocutor; la mía tengo que grabarla por un micrófono conectado al ordenador, y ambas señales deben ir a pistas distintas.

O sea:

Voz de la persona a la que llamo (grabada del teléfono) ---> Pista 1
Mi voz (grabada a través de un micrófono aparte) ---> Pista 2


Es muy importante que en la pista 1 NO ESTÉ recogida mi voz telefónica, o solapará a mi voz grabada a través del micro. De esa forma, podré darle un tratamiento específico a la voz "telefónica" de mi interlocutor, y dejar mi propia voz con el mismo tratamiento que le haya dado durante el resto del podcast. Si no consigo esto, será todo una chapuza... durante una parte del programa mi voz sonará "normal", grabada en estudio, y durante las entrevistas sonaré a voz telefónica.

No sé si me explico bien, pero eso es lo que necesito... y creo que la única posibilidad es Skype, a no ser que alguien me sorprenda... El problema es que con Skype, las llamadas a fijos me costarán dinero (y usando mi teléfono particular me saldrían gratis).
Solución elegida por el creador del hilo (Soyuz)
Pep
por el 27/01/2008
Mírate un híbrido telefónico:
http://www.ecler.es/ES/product.asp?ProductID=32

2ab78770d0f6a625fb4eb629a763d-1502337.jpg

Yo he usado el ATA 2-1 y funciona perfectamente. Tienes una entrada enviar la señal de tu micro o la mezcla al aparato para que la envíe por la línea telefónica y la oigan al otro lado, tienes una salida para enviarla a la entrada de la mesa con la voz de la persona que esta al otro lado del teléfono.
Siempre queda un poco de señal residual de tu voz a la salida del aparato, pero para que no se mezcle mucho tu voz de la línea con tu voz limpia dispone de un "Talkover" que ajusta el nivel de salida del adaptador. De forma que cuando tu hablas, el adaptador baja el volumen de salida automáticamente para que no entre esta señal residual.

En fin, que una vez ajustado va de maravilla, pero es un poco más caro que el montaje propuesto al principio.

Siempre te queda la posibilidad de desmontar el auricular del teléfono, conectar los dos cables del altavoz a la entrada de línea de la mesa y ajustar la ganancia. Es un poco chapucilla pero funcionaría. También lo he probado y se cuela un poco de tu voz residual.

Un saludo y ya dirás como lo has solucionado.

Pep :)
monarca
por el 27/01/2008
puedes probar el voipstunt, de los creadores de skype, pero llamadas gratuitas a fijos, tienes que cargar 10 euros de saldo, pero despues por 4 o 6 meses hablas todo lo que quieras...
Nuevo post

Regístrate o para poder postear en este hilo

Música
Temas