Lennard escribió:Esto ya no es tan normal, prueba sin conectar el trafo. Estás seguro de haber unido los terminales correctos en el secundario?
Si, según el esquema.
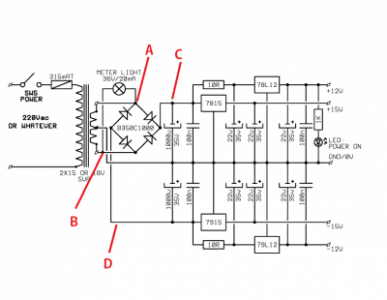
Esta tarde he estado mirando, por lo pronto, el trafo está bien, el puente de diodos y un par de VR han volao, están cortocircuitados. El tercer VR parece estar bien, pero igual compro los tres para asegurar. He detectado una par de cortos en las patillas de un integrado (malas soldaduras) no se si el puente y los VR habrán volado por eso. No obstante como las prisas son malas, me entretendré una tarde en mirar soldadura por soladura para asegurar que no haya mas cortos.
Otra duda que me asalta. No he puesto el LED de encendido de momento, mas que nada por que aún no se donde lo pondré, con lo cual soldarlo para dejarlo colgando es una chorrada. Imagino que esto no intervendrá en nada. A ver si podéis confirmármelo.
Responder
Citar
