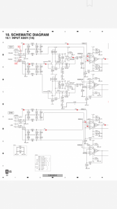
hola os explico mi problema, tengo una mesa de mezclas pioneer djm 850k , y el problema que tengo es el sonido del lado izquierdo del channel 2 , solo tengo sonido por el lado derecho por el izquierdo nada , todo esto estando en entrada de linea o cd , si la pongo con la tarjeta de sonido interna no me da ese problema es solo cuando pongo un plato un cdj en modo line o line cd, a ver si alguien me puede hechar una manita y damos con el problema . muchas gracias de antemano un saludo
X
Últimos días
Pioneer djm 850k error de sonido lado izquierdo channel 2
OFERTAS Ver todas
-
-35%Behringer X32 Producer
-
-20%Moog Messenger
-
-35%Steinberg UR24C
Nuevo post
Regístrate o identifícate para poder postear en este hilo
