Hola. mi duda es, tengo la opcion de pillarme una de estas dos mesas para hacer directos ( bolos pequeños). pero no se cual puede sera la mas adecuada para ello pues la 01 tiene 12 xlr y la 02 tiene 8 . No se si por el tema de los 48v luego tendre problemas en directo, tampoco se cual es mas completa pues con los manuales no sacas muchas dudas, gracias de antemano
X
Últimos días
Yamaha 01v o 02r
OFERTAS Ver todas
-
-35%Behringer X32 Producer
-
-12%K Multimedia iLoud Micro Monitor Pro
-
-35%Steinberg UR24C
Hombre, es mejor una 02R, de hecho en los 90, era "la mesa" pero para bolos pequeños, casi que veo mas práctica la 01V. Seguramente alguien con mejor criterio que yo, te podrá orientar mejor sobre datos técnicos. Pero una 01V con un ADAT si es que necesitas mas entradas, la veo mas "coherente" para el uso que quieres darle.
Alguien escribió:si, pero la 02 solo tenía 48v en los primeros 8 canales
Hay un cacharrillo para solventar ese problema que he encontrado en internet de casualidad. Se enchufa detrás en las entradas jack de esos 8 canales y lleva un XLR hembra donde conectar las entradas y un switch individual apra aplicar la phantom en cada canal.
Otra opción es usar los primeros canales para los micros y cajas DI que necesiten phantom y poner a partie de ahí el resto de canales.
Marchando...
http://magicsound.us/phantomizer.html
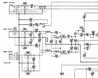
Ahora bien. Cualquier técnico electrónico te lo hace por bastante menos pasta. Sólo necesita los conectores, una fuente medianamente estable de 48V. un par de resistencias apareadas (de casi cualquier tolerancia pero bien apareadas) y unos condensadores electrolíticos.
Le calculo a ojo unos 5 euros por canal mas la fuente de alimentación.
Le enseñas este esquema al técnico:
[ Imagen externa no disponible ]
Y en un pispás te lo tiene hecho.
O bien te compras unos de estos y haces el apaño:
https://www.thomann.de/gb/millenium_pp2b.htm
http://magicsound.us/phantomizer.html
Ahora bien. Cualquier técnico electrónico te lo hace por bastante menos pasta. Sólo necesita los conectores, una fuente medianamente estable de 48V. un par de resistencias apareadas (de casi cualquier tolerancia pero bien apareadas) y unos condensadores electrolíticos.
Le calculo a ojo unos 5 euros por canal mas la fuente de alimentación.
Le enseñas este esquema al técnico:
[ Imagen externa no disponible ]
Y en un pispás te lo tiene hecho.
O bien te compras unos de estos y haces el apaño:
https://www.thomann.de/gb/millenium_pp2b.htm
Nuevo post
Regístrate o identifícate para poder postear en este hilo
