Condensadores y otras dudas.

Sonido2
por el 30/08/2007
Hola, resulta que estoy comprando material electrónico para una PCB que compre, y no encuentro exactamente lo que busco. (furtlec)

A ver , por ejemplo, si en el listado de componentes me pide un condensador electrolítico 1uf y de 25V, pasa algo si lo pongo de 1uf y de 50v?

Supongo que la pregunta es ultra-principiante :mrgreen:

He leido que la carga es igual a la capacitancia por el voltaje. :paletas:

gracias.
OFERTAS EN TIENDAS Ver todas
  • -35%
    Behringer X32 Producer
    969 €
    Ver oferta
  • -31%
    Behringer X-Touch Compact
    222 €
    Ver oferta
  • -26%
    Moog Messenger
    699 €
    Ver oferta
SEGUNDA MANO EN MERCASONIC Ver todo
  • Pack de Micrófonos CAD (Al Di Meola Guitarra Acústica)
    180 €
    Ver
  • Boss SP303 Sampler
    350 €
    Ver
  • Sintetizador analógico hecho a mano estilo FOLKTEK
    370 €
    Ver
¿Tienes equipo que ya no usas? Véndelo en Mercasonic
modulay
por el 31/08/2007
No pasa absolutamente nada,sólo que el condensador será un pelín más grueso.Sí pasaría si fuera de menos voltaje,ya que es el máximo que aguanta el condensador en sus bornas.
Futurlec es lo que tiene,muy buenos precios pero un stock algo limitado
Sonido2
por el 31/08/2007
Venga, esto es lo que supuse, pero al leer lo que no entendi, me lie :paletas:

Gracias.

Ya lo encargue, en una semanita aqui.


saludos.
Sonido2
por el 02/09/2007
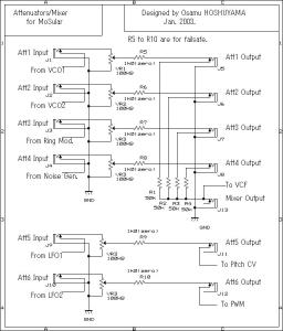
Por no abrir numerosos hilos, voy a seguir en este hilo con las dudas que me vayan surgiendo mientras empiezo a juguetear con la electrónica.

Yo creia que en un sinteizador analógico, una resistencia variable, o potenciómetro, seria suficiente para funcionar como atenuador de una corriente de control o de audio.

Pero mirad en el esquema adjunto, encontrado en la pagina: http://www5b.biglobe.ne.jp/%7Ehoushu/synth/

Es un modulo que podria funcionar tanto como atenuadores como mixer, pero me sorprenden las resistencias de R5 a R10, que dice en el esquema " are for failsafe." O sease para evitar fallos...

Pero Porque? Para proteger que ? Como funciona? y a que se refiere con "1K0 (zero)" ? 1000 ohmnios no?
Archivos adjuntos ( para descargar)
attmix0301.jpg
bola8
por el 02/09/2007
más o menos lo que parece que hace es que si hay un corto (al meter uno de los Jacks) que cierren el circuito la carga recae sobre esas resistencias, evitando que la intensidad suba demasiado.
modulay
por el 02/09/2007
Eso parece,si.
Si alguno de los potenciómetros está arriba del todo y metes el jack en su correspondiente salida,se puede producir un corto que llevaría la entrada directamente a masa en el caso de que no estuvieran esas resistencias
Sonido2
por el 07/09/2007
Gracias hach y modulay.

pero no lo entiendo :paletas:

>>>> pausa>>>>> me acaba de llegar un paquete de furtlec
modulay
por el 07/09/2007
La masa de un sistema es única en la mayoría de los casos,y al menos en este,las masas de las entradas,de las salidas y del atenuador-mezclador son el mismo punto y deben ir interconectadas.

Cuando se produce un corto entre señal y masa estás uniendo ambos puntos a través de una resistencia muy pequeña,casi 0,por lo que habrá una circulación grande de corriente que,en ausencia de protecciones,se puede cargar la etapa de salida del circuito que proporciona la señal.

En un primer momento pensé que esas resistencias failsafe estaban para asegurar la mezcla correcta de las señales en el caso de que algún pote dejara pasar el 100% de su señal sin interponer resistencia,pero para eso ya están las R de 50 Kohm.

También cabe la posibilidad de que las R de failsafe tengan por cometido asegurar un mínimo de atenuación de las señales de entrada,por algún motivo...

Saludo
Sonido2
por el 09/09/2007
Vale gracias modulay, a ver si poquito a poquito me voy aclarando... saludos
Sonido2
por el 18/09/2007
Se me ocurren unas nuevas preguntitas:::

1)Se puede dañar algun componente mientras soldamos? digo por el calor y eso... Tambien me han dicho que con la electricidad estatica de la ropa puedo dañar un circuito... ¿en que medida?

Tambien he encontrado esto:

http://cgi.ebay.com/ws/eBayISAPI.dll?Vi ... :IT&ih=020

http://cgi.ebay.com/Ceramic-Capacitor-A ... dZViewItem

Me irian de perlas unos paquetes de esos de diferentes comnponentes, para empezar y poder breadboardar los esquemitas que encuentro por la red. Y como podeis ver es mucho más barato que el propio futurlec. pero me asalta una pregunta sobre calidades.

¿ cuanto o en que puede afectar una mala calidad de un resistor?





gracias como siempre,

Òscar.
modulay
por el 18/09/2007
Los más vulnerables frente el calor y la electricidad estática son los circuitos integrados.
Si bien a la hora de soldar componentes pasivos (resistencias, condensadores, diodos, etc...) no hay tanto peligro de cargarte el componente,tampoco hay que pasarse dándole calor...con unos segundos para que se caliente lo bastante como para que se le adhiera bien el estaño es suficiente.
La propia piel también puede almacenar electricidad estática que se puede llegar a cargar un integrado al tocarlo...un medio casero para descargar esa posible estática de tu cuerpo podría ser tocar el chasis de algún electrodoméstico de casa antes de ponerte a soldar.
Las resistencias de 1/4W película metálica son las de toda la vida que puedes comprar en cualquier sitio,con la salvedad que las del enlace que has pueto son de una tolerancia del 1%,cuando lo normal suele ser del 10-20%.
La tolerancia hace referencia a la posible desviación del valor real de la resistencia con respecto a su valor nominal: por ejemplo,el valor real de una resistencia de 1000 ohmios nominales con una tolerancia del 20% puede estar comprendido entre 800 y 1200.
Esta inexactitud es crítica según en qué casos,sobre todo para circuitería basada en amplificadores operacionales y/o diferenciales,cosa que se suele dar en previos o compresores.
Sonido2
por el 18/09/2007
Ei, Si precisamente por lo que me intereso es por filtros y demas componentes de sintetizador modular y suelen usar opamp, tl072, SSM 2044, lm , 13700 etc...Y en sus lists piden normalmente resistores 1%.

Mi pregunta acerca de la calidad, era mas en el sentido, de si entre diferentes fabricantes, puede haber diferencias notables de calidad.

Supongo que en resistencias y condensadores pueden ser diferencias de calidad despreciables y da igual el fabricante, pero quizas en CI es interesante comprar de determinados fabricantes,
¿es así? en que componentes hay que mirar la calidad?
Nuevo post

Regístrate o para poder postear en este hilo

Música
Temas