Buenas, estoy montando una caja modular eurorack para acoger unos cuantos módulos de percusión. Tengo la caja ya acabada y ahora estaba pensando en alguna manera barata de proporcionarle una fuente de alimentación. He mirado algunos circuitos y transformadores, pero estoy algo perezoso (además de pobre
), y se me ha ocurrido que tal vez podría reciclar una fuente de alimentación de una torre de pc 
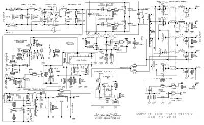
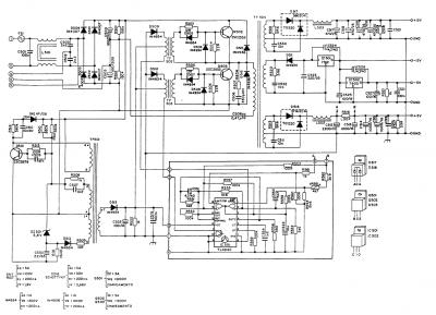
Básicamente, yo necesito, una fuente que aporte + - 12v y 1A más o menos. Mirando un poco las especificaciones de las fuentes de alimentación, veo que muchas de ellas tienes salidas de +12 y -12 (además de otros voltajes). Y en Ebay encuentras por 10 euros nuevas, además de las que puedas canibalizar tú mismo de algún pc viejo.
Es decir, por 10 euros (o por 0 si se recicla) podrías conseguir una fuente de alimentación para tu proyecto de audio sin soldar nada de nada, y que además te proporciona más corriente que muchos transformadores bastante más caros...
Simplemente, esto me parece demasiado bonito para ser verdad, y me extraña no encontrar referencias sobre el tema. Así que me gustaría que alguien con más idea que yo se encargue echar por tierra mis ilusiones señalado los puntos débiles de esta aproximación. Por lo pronto, todas las fuentes que he visto dan corriente de sobras (mucha más de la necesaria para un sinte) en los voltajes positivos pero se quedan entre 0.5 y 0.8A en el lado de -12v. Eso es una lástima, porque así descartamos lo de alimentar un modular un poco grande. Pero con 0.8A en -12 y 5A (e incluso bastante más) en +12 aún puedes alimenta muchas cosas , entre ellas mi proyecto, jeje.
Entonces, antes de ponerme a atacar algún PC, me gustaría saber qué problemas pueden aparecer con este sistema, ya que yo ando un poco perdido con estas cosas. ¿Alguna idea?

Básicamente, yo necesito, una fuente que aporte + - 12v y 1A más o menos. Mirando un poco las especificaciones de las fuentes de alimentación, veo que muchas de ellas tienes salidas de +12 y -12 (además de otros voltajes). Y en Ebay encuentras por 10 euros nuevas, además de las que puedas canibalizar tú mismo de algún pc viejo.
Es decir, por 10 euros (o por 0 si se recicla) podrías conseguir una fuente de alimentación para tu proyecto de audio sin soldar nada de nada, y que además te proporciona más corriente que muchos transformadores bastante más caros...
Simplemente, esto me parece demasiado bonito para ser verdad, y me extraña no encontrar referencias sobre el tema. Así que me gustaría que alguien con más idea que yo se encargue echar por tierra mis ilusiones señalado los puntos débiles de esta aproximación. Por lo pronto, todas las fuentes que he visto dan corriente de sobras (mucha más de la necesaria para un sinte) en los voltajes positivos pero se quedan entre 0.5 y 0.8A en el lado de -12v. Eso es una lástima, porque así descartamos lo de alimentar un modular un poco grande. Pero con 0.8A en -12 y 5A (e incluso bastante más) en +12 aún puedes alimenta muchas cosas , entre ellas mi proyecto, jeje.
Entonces, antes de ponerme a atacar algún PC, me gustaría saber qué problemas pueden aparecer con este sistema, ya que yo ando un poco perdido con estas cosas. ¿Alguna idea?
Responder
Citar
