Compressor G1176 (o similares)

moynet
por el 30/06/2012
Si, lo de los condensadores me imaginaba que no me fuera a dar mucho problema, es más imagino que si tienen mas uF será más limpio en la salida del transformador.

No había caido en buscar en google, o en la misma página los dos componentes y sus diferencias, el 1N4003 soporta hasta 200v y el 1N4004 soporta hasta 400v, ambos a 1 amperio.

Cuando preguntaba me refería mas a si aún siendo compatible me fuera a afectar a la calidad del sonido o en relación con los demás componentes.

Muchas graicas por contestar Cheaper Audio.
OFERTAS EN TIENDAS Ver todas
  • -32%
    Behringer X-Touch Compact
    219 €
    Ver oferta
  • Clavia Nord Electro 6D 73
    2.290 €
    Ver oferta
  • -15%
    Sequential Prophet REV2-8
    2.299 €
    Ver oferta
SEGUNDA MANO EN MERCASONIC Ver todo
  • Rode NTG4+ con suspensión SM4-R, todo casi nuevo
    175 €
    Ver
  • Focusrite Saffire pro 40 + Mac Book pro
    200 €
    Ver
  • Livid Instruments CNTRL:R negro
    475 €
    Ver
¿Tienes equipo que ya no usas? Véndelo en Mercasonic
litan
por el 01/07/2012
En un principio el puente de diodos sólo te rectifica la corriente alterna para pasarla a continua, esa parte no tiene señal de audio y por lo tanto no veo motivo por el que pueda influir en nada (y aun menos si son diodos equivalentes...)

Por otro lado los condensadores si tienen un voltaje mayor solo quiere decir que sirven para trabajar a más tensión, pero si solo le pones 30v te dan igual unos que otros. Los faradios lo que hacen en la fuente de alimentación es filtrar la onda rectificada, así que cuantos más faradios menos rizado tendrá la onda y te evitas posibles "humm".

por cierto, en la pag de mnats recomienda montar primero todos los componentes de la fuente de alimentación y medir las tensiones para comprobar que están bien antes de poner los transistores etc, que son componentes "delicados".
Yo como monté dos en uno utilicé solo una fuente de alimentación (una pcb externa) lo podía medir bien pero creo que es una idea muy muy buena hacerlo así para evitar posibles disgustos.

saludos!
moynet
por el 01/07/2012
Pues estoy pendiente de recibir la placa y pedir los tafos, seguiré tal y como dices los pasos para el montaje que logicamente es lo más razonable de realizar primero antes de nada jejeje...

...de echo había pensado tambien el orden en el que soldar los componentes a la placa para evitar calentones del soldador, primer resistencias, luego los zócalos, condensadores, luego potenciómetros, luego los transistores e IC (que no vayan en zocalos).

Por cierto litan me sugirió que montara mejor los 2N5457 (patillaje distinto) en vez de los BF245A (fets matcheados), lo expongo para el que siga el hilo, de todas formas cuando termine quiero hacer un excel con todos y cada uno de los componentes que he usado.

Gracias por tus consejos litan.
litan
por el 01/07/2012
moynet escribió:
Por cierto litan me sugirió que montara mejor los 2N5457 (patillaje distinto) en vez de los BF245A (fets matcheados)


En realidad son prácticamente iguales, solo que en hariball tienen los 2N5457 ya emparejados mientras que los BF245A los tienes que emparejar tu y es más complicado.
Los dos fet tienen que estar emparejados porque uno controla la compresión y otro controla el Vumeter, entonces en caso de no estar emparejados el meter marcaría una compresión diferente de la que está haciendo en realidad.

saludos!
solker
por el 01/07/2012
Yo los tengo desde hace días pero no los he probado, entre otras cosas porque uno de ellos he de reparar el regulador, se partió por la mitad de un golpe. Se supone que si mal no recuerdo, las placas del canguro llevan alojamiento para 2 tipos de fet (patillaje distinto) así que no problemo.
moynet
por el 01/07/2012
Pues yo estoy esperando la llegada de la placa y vúmetro mientras hago la seleccion de los componentes. Yo como pedí 2 placas (una para tarbajar y otra de repuesto) al final he decidido montar dos en uno sin linkar pero con la misma caja y tafos (ahorro económico) con la idea de tanto poder grabar baterías con 2 canales como usarlo para estereo, asi que con la ayuda y aclaracion de litan voy a montar una fuente de alimentación para los dos compresores.


Saludos.
jethroyes
por el 05/07/2012
gracias, y una pregunta más hay alguien que haya medido las tensiones en todas las puntas de primario y secundario de los trafos lundhall, porfavor se los rogaría muchisimo porfavor porfavor.
moynet
por el 05/07/2012
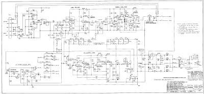
Trpiche puso en la página 4 un esquema con los voltajes en ciertos puntos, ya te toca buscar en la placa donde están. De todas formas te adjunto la foto.
Archivos adjuntos ( para descargar)
1176sch.gif
moynet
por el 06/07/2012
Ya tengo todos los componentes listos, pedido el tafo de entrada y los fets matcheados (cuatro 2N5457 para montar 2 placas) falta que me llege la placa que ya tiene tiempo y el vúmetro, me falta pedir los tafos de la placa (voy a intentar montar 2 Lundahl) y la caja.

Por cierto la caja me parece muy cara en Hairball y me parece mejor de buscarla en españa, no se si me puedan recomendar alguna BBB jejeje...
moynet
por el 07/07/2012
Bueno, creo que mas o menos ya le tengo echado el ojo a una caja en farnell.

Tengo una duda respecto lo que indica mnats respecto a usar en la entrada...

"you have the option of using either a Lundahl input transformer or an IC based input stage which was definitely used in the Rev. G series"

...según indica existe la opcion de bien usar como entrada el transformador LL1540 o bien usar el NE5532 Dual Opamp pero no se si simplemente es soldar uno u otro componente o hacer alguna modificación en la placa (como puentear la entrada si se usa una fuente externa), según leo y a mi vago ingles no he enontrado más informacion en su explicación.

Gracias.
moynet
por el 07/07/2012
Bueno... es que si antes pregunto antes encuentro la respuesta....... #-o

http://mnats.net/1176-wiring.html

al final hablan de la opcion A o B según sea con o sin tafo de entrada.
litan
por el 08/07/2012
En la pcb te viene muy bien "explicado" que componentes debes poner si usas el trafo de entrada o el IC.
El original no llevaba transformador de entrada..
liquen.audio
por el 09/07/2012
Pues yo también estoy metido en el proyecto, tengo dos placas Mnats rev j y voy a hacer el pedido a mouser, con la lista que hay en hairball.... los trafos lundhall y el resto de las cosillas las pediré más adelante.

Lo que quería preguntar es si sabéis de alguna web que tenga las frontales del track ya serigrafiados para que el acabado final quede chulo...
1 respuesta directa
liquen.audio
por el 09/07/2012
http://www.groupdiy.com/index.php?topic=35422.0 bueno encontré algo en esa página ;-), tienen para más proyectos, así que cuidado con engancharse jajaja
moynet
por el 09/07/2012
Yo acabo de entrarme hoy que han cambiado al personaje que reparte el correo en mi pueblo por vacaciones y lo que estaba esperando de placas, tafos y vúmetros no ha llegado porque no encontrabaja la direccion... :machaca:

Que bueno lo de los frontales serigrafiados, se ven muy bien acabados... imagino que para el que se monta en estereo del clon 1176 los 119€ son con el chasis incluido.

Saludos y suerte con el proyecto.
Nuevo post

Regístrate o para poder postear en este hilo

Música
Temas