pero de eskemas y fotos pocos solo e leio q iba a acer y punto ....
X
Sorteo Mercasonic
Ecualizador digital
OFERTAS Ver todas
-
-35%Behringer X32 Producer
-
-35%Steinberg UR24C
-
-20%Moog Messenger
Con una insoladora, la vida es mas facil 
Con la disposicion de los elementos no me complique la vida porque se me pasaba la fecha de presentacion del proyecto, pero estaba previsto hacerlo en dos tarjetas distintas, la de control y la de eq, asi como colocarle unas bisagritas al LCD y meterlo todo dentro de una caja metalica...las prisas...
Con la disposicion de los elementos no me complique la vida porque se me pasaba la fecha de presentacion del proyecto, pero estaba previsto hacerlo en dos tarjetas distintas, la de control y la de eq, asi como colocarle unas bisagritas al LCD y meterlo todo dentro de una caja metalica...las prisas...
Tengo los PCB's y esquematicos para esta disposicion, por si alguien los quiere.
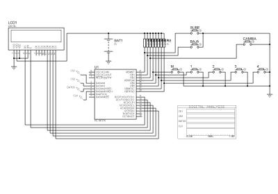
Otro dia subo los elementos que usé y una detallada explicación para montarlo, con el significado de las señales de los esquemas que no teneis porque saber lo que significan
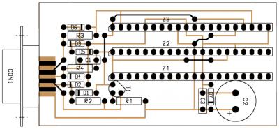
Ah! y el programa que lleva el PIC en memoria...pero por lo pronto teneis trabajo montando primero la placa del programador, que nos hará falta para meter el programa del PC al PIC. Os dejo lista de componentes, esquema y placa resultante.
Otro dia subo los elementos que usé y una detallada explicación para montarlo, con el significado de las señales de los esquemas que no teneis porque saber lo que significan
Ah! y el programa que lleva el PIC en memoria...pero por lo pronto teneis trabajo montando primero la placa del programador, que nos hará falta para meter el programa del PC al PIC. Os dejo lista de componentes, esquema y placa resultante.
Nuevo post
Regístrate o identifícate para poder postear en este hilo


