Convertir una marimba en midi, y coger un monton de maderitas y hacer una pseudo marimba midi, es algo que para los efectos practicos me da lo mismo.
Si quisiecemos "midisar" una marimba comun y corriente, bastaria pegar piezzos debajo de cada maderita.
Y si quisiecemos fabricar desde cero una marimba midi, bastaria cortar un monton de maderitas, y pegar piezzos debajo.
Ven por que digo que es lo mismo?
El asunto de cortar las maderitas es un lio de la persona que se hara el asunto.
Yo puedo ayudar con la electronica.
Bien. Fijate jordi...
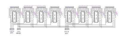
El e-drum DIY utiliza la multiplexacion analogica para leer los piezzos.
Usa dos buses independientes de 3 bit cada uno.
Si solo usas un bus, tienes 2*2*2 piezos para leer, que da un total de 8 piezzos.
Si usas el otro bus, tendrias el doble de piezzos... que nos da 16 piezzos.
Esto es demasiado poquito para la marimba...
Por eso, yo sugeria utilizar los dos buses en conjunto. Colocamos un bus en MSB, y el otro en LSB. Asi, tendrias un bus de seis bit, y no dos de 3 bit.
Esto nos daria 2*2*2*2*2*2=2^6=64 lecturas de piezzos. Dsn nos habla de que una marimba poderosa tiene 61 maderitas... Nos sobran 3 piezzos... que podria usarse tranquilamente para un pedal de sustain, controlar la velocidad de vibracion, y nos queda una ultima lectura que se usaria para cualquier otra cosa que nos provoque.
La cosa se puede hacer. Pero llevara un trabajon.
Casualmente ahorita estoy trabajando con el controlador midi DIY... y ando soldando, haciendo pcbs, y demas (lo necesito para meterme en una competencia de composicion con electroacusticos y demas...
)...
Podriamos aprovechar las andanzas para ver si se puede lograr esto, que se ve interesante.
Capaz y terminamos haciendo una pagina como la de e-drum DIY...
Si quisiecemos "midisar" una marimba comun y corriente, bastaria pegar piezzos debajo de cada maderita.
Y si quisiecemos fabricar desde cero una marimba midi, bastaria cortar un monton de maderitas, y pegar piezzos debajo.
Ven por que digo que es lo mismo?
El asunto de cortar las maderitas es un lio de la persona que se hara el asunto.
Yo puedo ayudar con la electronica.
Bien. Fijate jordi...
El e-drum DIY utiliza la multiplexacion analogica para leer los piezzos.
Usa dos buses independientes de 3 bit cada uno.
Si solo usas un bus, tienes 2*2*2 piezos para leer, que da un total de 8 piezzos.
Si usas el otro bus, tendrias el doble de piezzos... que nos da 16 piezzos.
Esto es demasiado poquito para la marimba...
Por eso, yo sugeria utilizar los dos buses en conjunto. Colocamos un bus en MSB, y el otro en LSB. Asi, tendrias un bus de seis bit, y no dos de 3 bit.
Esto nos daria 2*2*2*2*2*2=2^6=64 lecturas de piezzos. Dsn nos habla de que una marimba poderosa tiene 61 maderitas... Nos sobran 3 piezzos... que podria usarse tranquilamente para un pedal de sustain, controlar la velocidad de vibracion, y nos queda una ultima lectura que se usaria para cualquier otra cosa que nos provoque.
La cosa se puede hacer. Pero llevara un trabajon.
Casualmente ahorita estoy trabajando con el controlador midi DIY... y ando soldando, haciendo pcbs, y demas (lo necesito para meterme en una competencia de composicion con electroacusticos y demas...
Podriamos aprovechar las andanzas para ver si se puede lograr esto, que se ve interesante.
Capaz y terminamos haciendo una pagina como la de e-drum DIY...
Responder
Citar



.