Que es lo que diferencia a a un Floyd Rose original a uno Licenciado?, lógico esta que el material,pero que es lo que se deteriora mas rápido de uno copia? y porque desafinan mucho?
X
Sorteo Mercasonic
Porque desafina un Floyd Rose de mala calidad?
OFERTAS Ver todas
-
-35%Steinberg UR24C
-
-31%Behringer X-Touch Compact
-
-20%Moog Messenger
Cuidado que hay puentes licenciados que no tienen porqué tener una calidad inferior a los Floyd Rose originales. Por ejemplo los puentes flotantes de las Ibanez de gama alta que he podido probar tienen poco o nada que envidiar a los Floyd Rose originales. Lo de "licenciado" es sólo eso, un permiso que se le da a otros fabricantes para fabricar sus propios puentes con especificaciones semejantes. Creo que lo importante no es que sea "original" o "licenciado" sino la calidad con la que se fabrique... es más, muchos fabricantes (por ej. Ibanez) han realizado algunos cambios en los últimos años en sus puentes, con objeto de evadir el pago de la licencia.
Si hablas de puentes flotantes baratos, pues te has respondido a tí mismo... para empezar el material es clave, junto con el proceso de fabricación y posterior control de calidad.
Hace unos meses me pillé una copia china de una Ibanez Jem y los muelles que traía de seríe eran de auténtica risa. Cuando los cambié por unos muelles en condiciones la garra metálica se doblaba cuando se le exigía más tensión de la cuenta... así que le puse una garra nueva. Después de estos cambios por fín empezó a funcionar en condiciones, pero claro, sin exigirle tampoco maravillas al puente, que por supuesto no era "licenciado" ni nada parecido...
Y más allá de los materiales hay otro punto importantísimo que los diferencia, que es el control de calidad. No basta con montar un puente con las especificaciones "Floyd Rose" sino que hay que probar que éste funciona en condiciones, el ajuste, que cada pieza cumple su función, que esté equilibrado, etc... Dudo que puentes flotantes que se venden por 35€ pasen por algún proceso de control de calidad. 35€ para el comprador minorista, imagínate el coste que le puede suponer a un constructor de guitarras de gama baja. Hay guitarras rondando los 300€ que montan puentes flotantes. Ya te puedes hacer una idea de la calidad de estos, teniendo en cuenta que un puente de gama alta sale por unos 200€.
Con el paso del tiempo, si se le da un buen uso al puente, empieza a sumar malos materiales con falta de control de calidad y empezarán a salir piteras por todos lados. El funcionamiento de los puentes flotantes es muy delicado, y cualquier fallo o desgaste prematuro en alguna de sus piezas puede dar al traste con la afinación. En mi opinión no merece la pena montar un puente flotante barato en una guitarra porque da más dolores de cabeza que otra cosa.
Si hablas de puentes flotantes baratos, pues te has respondido a tí mismo... para empezar el material es clave, junto con el proceso de fabricación y posterior control de calidad.
Hace unos meses me pillé una copia china de una Ibanez Jem y los muelles que traía de seríe eran de auténtica risa. Cuando los cambié por unos muelles en condiciones la garra metálica se doblaba cuando se le exigía más tensión de la cuenta... así que le puse una garra nueva. Después de estos cambios por fín empezó a funcionar en condiciones, pero claro, sin exigirle tampoco maravillas al puente, que por supuesto no era "licenciado" ni nada parecido...
Y más allá de los materiales hay otro punto importantísimo que los diferencia, que es el control de calidad. No basta con montar un puente con las especificaciones "Floyd Rose" sino que hay que probar que éste funciona en condiciones, el ajuste, que cada pieza cumple su función, que esté equilibrado, etc... Dudo que puentes flotantes que se venden por 35€ pasen por algún proceso de control de calidad. 35€ para el comprador minorista, imagínate el coste que le puede suponer a un constructor de guitarras de gama baja. Hay guitarras rondando los 300€ que montan puentes flotantes. Ya te puedes hacer una idea de la calidad de estos, teniendo en cuenta que un puente de gama alta sale por unos 200€.
Con el paso del tiempo, si se le da un buen uso al puente, empieza a sumar malos materiales con falta de control de calidad y empezarán a salir piteras por todos lados. El funcionamiento de los puentes flotantes es muy delicado, y cualquier fallo o desgaste prematuro en alguna de sus piezas puede dar al traste con la afinación. En mi opinión no merece la pena montar un puente flotante barato en una guitarra porque da más dolores de cabeza que otra cosa.
Muchas Gracias dreamtopia por tu super comentario , la intención de esta pregunta es saber un poco mas del tema porque quiero comprar un LTD MH 53, he leído buenos comentarios de su puente flotante que por su precio es excelente, quizás tu o alguien ha tenido experiencias con estas LTD traen este Floyd Rose Licenciado. Gracias
Pues la verdad es que no he tenido ninguna experiencia con ese tipo de puentes, pero si no me equivoco estamos hablando de una guitarra de las gamas bajas de LTD. Ten eso en cuenta, porque por muy buena relación calidad-precio que tenga ese puente flotante estarás hablando de un puente flotante barato, con los problemas que ello conlleva.
Por supuesto que es mi forma de ver las cosas... sin tener ni idea como es ese puente en concreto yo no me la jugaría, y más si tu intención es meterle caña. Puede llegar un momento que estés más tiempo ajustándolo y afinando que disfrutando de sus posibilidades. También he visto puentes flotantes en guitarras Cort de 400 pavos que aguantaban como un campeón, pero hablo de una guitarra nueva perfectamente ajustada. Lo suyo es que la pudieras probar y meterle caña durante un buen rato al puente para ponerlo a prueba.
Por supuesto que es mi forma de ver las cosas... sin tener ni idea como es ese puente en concreto yo no me la jugaría, y más si tu intención es meterle caña. Puede llegar un momento que estés más tiempo ajustándolo y afinando que disfrutando de sus posibilidades. También he visto puentes flotantes en guitarras Cort de 400 pavos que aguantaban como un campeón, pero hablo de una guitarra nueva perfectamente ajustada. Lo suyo es que la pudieras probar y meterle caña durante un buen rato al puente para ponerlo a prueba.
Hola, siguiendo con el ejemplo de las LTD; yo tengo una KH-202 con un Licensed. Me ha pasado que después de hacerle una puesta a punto, puse a prueba la resistencia del puente y antes de media hora ya daba los fallos que daba antes de la puesta a punto. Evidentemente estoy hablando de obligar al puente a dar todo de sí. El problema principal que veo en los puentes de gama baja de LTD es el material. Cada dos o tres meses tengo que llevar la guitarra para que me limen el puente (la parte que hace anclaje con la guitarra), que con el uso se va desgastando y deja de "volver" siempre a la misma posición, lo que imagino que debe ser uno de los motivos por los que empieza a desafinar, entre otros.
Lo peor de esos puentes es el material. Es una basura, y como se te rompa algo, olvídate de conseguir repuestos. Y que se te rompa algo no es muy complicado. A mi se me cayó al suelo, al poco de comprar la guitarra, una presilla de esas que sujetan las cuerdas por el puente, y del golpe se abollo y ya no entraba. Me tocó darle golpes con un martillo y lijarla para volver a darle la forma. No conseguí comprar la pieza por ninguna parte, las presillas que habían no eran iguales a las mias.
Esos puentes son de papel, no se los recomiendo a nadie.
Esos puentes son de papel, no se los recomiendo a nadie.
Porque se rompen (deforman) los destornilladores de los chinos despues de sacar cuatro tornillos y sin embargo las llaves que valen pasta no?
facil!
Un floyd original de Floy Rose (o un edge de Ibanez) vale 300 pavos...
Como una guitarra de 250 no se va a desafinar haciendo el Vai?
Comento lo de los chinos por el mismo motivo. El templado de los metales es una ventaja para su dureza.
Saludos!
facil!
Un floyd original de Floy Rose (o un edge de Ibanez) vale 300 pavos...
Como una guitarra de 250 no se va a desafinar haciendo el Vai?
Comento lo de los chinos por el mismo motivo. El templado de los metales es una ventaja para su dureza.
Saludos!
Gracias Marshaboogie, ahora.. si yo le pusiera a un Puente licensiado unos Saddle de un Charvel, pasa que un amigo tiene una yamaha rgx 421d y pues me puede dar esos saddle porque el no usa floyd rose, que pasaria, mejorara el puente solo con ponerle los 6 saddles Charvel?
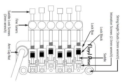
PS, los saddle son donde se priensa la cuerda con un cuadrito de metal.
PS, los saddle son donde se priensa la cuerda con un cuadrito de metal.
En casi todos los flotantes (roses edges acme...) se sujetan las cuerdas con una "pestaña" de metal. Aguanta igual en puentes caros que en baratos, que tu miedo no sea el que se salgan las cuerdas de las pestañas con el paso del tiempo porque no es asi, no creo que mejore mucho por cambiarle las prensas (aun asi piensa que no son medidas universales,quiero decir, unas presas de floyd es posible que no entren en un low pro de ibanez)
Yo tengo guitarras buenas y guitarras malas, y cuando un puente da problemas, bien porque la afinacion ya no es lo que era, o por que no que quieres complicar la vida con muelles tensiones etc, se bloquea y punto (se bloquea con madera para que no se mueva y asi hacer de un floyd un puente fijo.
Yo tengo guitarras buenas y guitarras malas, y cuando un puente da problemas, bien porque la afinacion ya no es lo que era, o por que no que quieres complicar la vida con muelles tensiones etc, se bloquea y punto (se bloquea con madera para que no se mueva y asi hacer de un floyd un puente fijo.
Un elemento importante son los muelles o resortes. Estos se estiran y encogen cuando movemos el puente y su misión es contrarrestar la tensión de las cuerdas. Unos muelles de baja calidad hacen que la recuperación no sea siempre la misma y eso afecta a la afinación. Yo los he reemplazado por otros de mayor calidad. Funciona ; ).
Creo que en este video queda claro muchas cosas.....muy importantes
http://www.youtube.com/watch?v=cwGcY6T4xHc
http://www.youtube.com/watch?v=cwGcY6T4xHc
Nuevo post
Regístrate o identifícate para poder postear en este hilo
