Creo que para el hip Hop No soy el mas adecuado, no distingo las influencias en este genero.
Que es el sonido ingles?
OFERTAS Ver todas
-
-12%K Multimedia iLoud Micro Monitor Pro
-
-13%Steinberg UR24C
-
-35%Behringer X32 Producer
haderms escribió:Seco quiere decir que no tiene muchos armónicos, porque esta afinado mas abajo, diferente a uno afinado para Funk que debe tener muchos mas armónicos en frecuencias altas. De hecho se graba muchas veces con una tela puesta sobre el Redoblante.
Hombre pero se puede sacar los armónicos a un redoblante simplemente cambiando la angulación del micro en la grabación.
En todo caso, "una redoblante sin muchos armónicos con mucho room" si lo entiendo mejor. (Es que de mi punto de vista, el ROOM quita lo "seco" a cualquier instrumento)
saludutedes
PISTASMASH escribió:me gustaría tener alguna referencia acerca de este "tipo" de sonido en particular pero de a dias de hoy
Hola PISTASMASH,
Cuando veo hilos como este se me ponen los pelos como escarpias ,y me acojona ver hasta que nivel de el absurdo, y cuanta desinformación se puede verter en un foro.
Primeramente que coño es el sonido británico?... es el propio de los grupos británicos?... es el grabado por técnicos de sonido británicos?... el producido por productores británicos?... el grabado con equipos británicos?...el que se inspira en la música tradicional británica?... o quizás ninguno de ellos?... o tal vez, todos ellos a la vez?
La respuesta es sencilla NO EXISTE EL SONIDO BRITÁNICO !!!! y desde luego mucho menos asociado a un ecualizador o una mesa y ni que decir asociado a el tipo de distorsión a sus armónicos, etc...
En UK ha habido todo tipo de estilos musicales y también todo tipo de estilos diferentes de producción a lo largo de la historia y ni que decir tiene que gran bretaña a dado a la industria de el audio gran cantidad de equipos de sonido, que están tan distantes entre ellos en su concepto, como nosotros lo estamos de nuestras antípodas (Nueva Zelanda)
De hecho sabe alguien como es posible que tanto una Neve series 80 como una SSL puedan ser consideradas como sonido britanico si entre ellas no hay absolutamente nada en común en cuanto a su sonido? (aunque claro igual debemos de empezar a hablar de el sonido de Oxford frente a el sonido de Cambridge
)En serio todo esto es una solemne majadería.
De la misma forma lo es la expresión de "EQ Británica" empezada a emplear por mackie y Behringer para ensalzar la calidad de los ecualizadores empleados en sus diseños económicos, aunque el súmum de esta expresión llego cuando John Oram llego a auto-proclamarse el "padre de la EQ británica"

Pero bueno como lo que quieres es tener una referencia de cual es el sonido britanico en la actualidad te dejo algunos temas de éxito de grupos y solistas británicos:
Y si por supuesto algunos de estos discos no están grabados en Inglaterra pero...no dejan de ser todos grupos británicos
Un saludo
Alguien escribió:Hola PISTASMASH,
Cuando veo hilos como este se me ponen los pelos como escarpias ,y me acojona ver hasta que nivel de el absurdo, y cuanta desinformación se puede verter en un foro.
Primeramente que coño es el sonido británico?... es el propio de los grupos británicos?... es el grabado por técnicos de sonido británicos?... el producido por productores británicos?... el grabado con equipos británicos?...el que se inspira en la música tradicional británica?... o quizás ninguno de ellos?... o tal vez, todos ellos a la vez?
La respuesta es sencilla NO EXISTE EL SONIDO BRITÁNICO !!!! y desde luego mucho menos asociado a un ecualizador o una mesa y ni que decir asociado a el tipo de distorsión a sus armónicos, etc...
En UK ha habido todo tipo de estilos musicales y también todo tipo de estilos diferentes de producción a lo largo de la historia y ni que decir tiene que gran bretaña a dado a la industria de el audio gran cantidad de equipos de sonido, que están tan distantes entre ellos en su concepto, como nosotros lo estamos de nuestras antípodas (Nueva Zelanda)
De hecho sabe alguien como es posible que tanto una Neve series 80 como una SSL puedan ser consideradas como sonido britanico si entre ellas no hay absolutamente nada en común en cuanto a su sonido? (aunque claro igual debemos de empezar a hablar de el sonido de Oxford frente a el sonido de Cambridge)
En serio todo esto es una solemne majadería.
De la misma forma lo es la expresión de "EQ Británica" empezada a emplear por mackie y Behringer para ensalzar la calidad de los ecualizadores empleados en sus diseños económicos, aunque el súmum de esta expresión llego cuando John Oram llego a auto-proclamarse el "padre de la EQ británica"
Pero bueno como lo que quieres es tener una referencia de cual es el sonido britanico en la actualidad te dejo algunos temas de éxito de grupos y solistas británicos:
Y si por supuesto algunos de estos discos no están grabados en Inglaterra pero...no dejan de ser todos grupos británicos
Un saludo
Tu lo enfocas en el sonido de estudio y yo lo enfoqué en la producción musical que es la que define como quieres sonar y con que "influencia" no hablo de equipos ni nada de eso, por eso anteriormente hablé de concépto.
¿Entonces cual es la desinformación?
Alguien escribió:De hecho sabe alguien como es posible que tanto una Neve series 80 como una SSL puedan ser consideradas como sonido britanico si entre ellas no hay absolutamente nada en común en cuanto a su sonido? (aunque claro igual debemos de empezar a hablar de el sonido de Oxford frente a el sonido de Cambridge)
En serio todo esto es una solemne majadería.
Ya fueron claros contigo al respecto.
haderms escribió:Tu lo enfocas en el sonido de estudio y yo lo enfoqué en la producción musical que es la que define como quieres sonar y con que "influencia" no hablo de equipos ni nada de eso, por eso anteriormente hablé de concépto.
¿Entonces cual es la desinformación?
Hola haderms,
Así que según nos cuentas existe una afinación britanica de la caja y por supuesto un tipo de sonoridad británica de la misma , asociada según entiendo a un técnica de captación, por supuesto británica, y por supuesto todas las grabaciones británicas utilizan un mismo tipo de arreglos, concepto, etc...

En serio esto es la barbaridad mas grande que he leído en toda mi vida

Un saludo
haderms escribió:Ya fueron claros contigo al respecto.
mira no te voy a faltar al respeto porque no quiero que me baneen.. pero por favor... que es eso de ya fuero claros contigo?¿!"?¿"
aqui yo no vengo a escuchar tu opinión... vengo a escuchar la de tooodos...
https://www.hispasonic.com/videoshd
(a800, a ver que me dices entonces del video de euridia plis..)
Hola.
Nunca me ha gustado pensar de manera "absolutista" y siempre dejo margen para posibles variaciones. Clasificar estilos musicales, sonido, producción... puede llegar a ser poco menos que imposible, porque si esto pudiera hacerse siempre, habría unas pautas rígidas y la música en sí se estancaría.
Considero que la pregunta que da título al hilo es muy ambigua, y podría ponerse dentro de algún contexto, pero también debo decir que no es infundada, y nadie puede negar que incluso en los entornos más especializados se habla de sonido británico o de sonido americano (matizo que ese "o" es excluyente, no significa en absoluto que ese tipo de sonido se pueda denominar de ambas formas).
Las especificaciones de las mesas Behringer hablan de "ecualización británica". Soy guitarrista, y en el mundillo, es de lo más habitual hablar de un amplificador con sonido británico/americano (VOX, Marshall / Fender). ¿O tal vez Abbey Roads definió lo que hoy deberíamos considerar sonido británico? Sea como sea... la alusión existe en muchos contextos.
Por favor... no menospreciemos preguntas o ciertas informaciones vertidas en el foro, porque se trata de eso precisamente, un foro, un lugar donde cualquiera puede preguntar y responder, y si una de las normas es el respeto, debe aplicarse tanto a la pregunta como a la respuesta.
Personalmente me molesta mucho leer textos incomprensibles o mal redactados, informaciones contradictorias, respuestas sarcásticas o del tipo "haz esto porque a mí me funciona y es imposible que sea otra cosa"... pero entiendo que otras personas tengan un enfoque diferente al mío respecto a lo que debería ser un foro.
Saludos.
Nunca me ha gustado pensar de manera "absolutista" y siempre dejo margen para posibles variaciones. Clasificar estilos musicales, sonido, producción... puede llegar a ser poco menos que imposible, porque si esto pudiera hacerse siempre, habría unas pautas rígidas y la música en sí se estancaría.
Considero que la pregunta que da título al hilo es muy ambigua, y podría ponerse dentro de algún contexto, pero también debo decir que no es infundada, y nadie puede negar que incluso en los entornos más especializados se habla de sonido británico o de sonido americano (matizo que ese "o" es excluyente, no significa en absoluto que ese tipo de sonido se pueda denominar de ambas formas).
Las especificaciones de las mesas Behringer hablan de "ecualización británica". Soy guitarrista, y en el mundillo, es de lo más habitual hablar de un amplificador con sonido británico/americano (VOX, Marshall / Fender). ¿O tal vez Abbey Roads definió lo que hoy deberíamos considerar sonido británico? Sea como sea... la alusión existe en muchos contextos.
Por favor... no menospreciemos preguntas o ciertas informaciones vertidas en el foro, porque se trata de eso precisamente, un foro, un lugar donde cualquiera puede preguntar y responder, y si una de las normas es el respeto, debe aplicarse tanto a la pregunta como a la respuesta.
Personalmente me molesta mucho leer textos incomprensibles o mal redactados, informaciones contradictorias, respuestas sarcásticas o del tipo "haz esto porque a mí me funciona y es imposible que sea otra cosa"... pero entiendo que otras personas tengan un enfoque diferente al mío respecto a lo que debería ser un foro.
Saludos.
Hola a todos ,
Os propongo un juego basándonos en la explicación de el video de el sonido ingles Vs el sonido americano,... sabríais decirme cual es la procedencia de los siguientes equipos equipos? (adjunto gráficas), o al menos sin son Ingleses u Americanos , los que son realmente Ingleses y Americanos respectivamente?
Para hacer las cosas mas fáciles solo diré que hay 1 equipo Ingles, 1 equipo Alemán, 2 equipos Americanos, y 1 equipo Canadiense.
Un saludo
P.D.: Los test están realizados con la misma senoidal empleada en sus test por Euridia
Os propongo un juego basándonos en la explicación de el video de el sonido ingles Vs el sonido americano,... sabríais decirme cual es la procedencia de los siguientes equipos equipos? (adjunto gráficas), o al menos sin son Ingleses u Americanos , los que son realmente Ingleses y Americanos respectivamente?
Para hacer las cosas mas fáciles solo diré que hay 1 equipo Ingles, 1 equipo Alemán, 2 equipos Americanos, y 1 equipo Canadiense.
Un saludo
P.D.: Los test están realizados con la misma senoidal empleada en sus test por Euridia
AngelSPA escribió:Considero que la pregunta que da título al hilo es muy ambigua, y podría ponerse dentro de algún contexto, pero también debo decir que no es infundada, y nadie puede negar que incluso en los entornos más especializados se habla de sonido británico o de sonido americano (matizo que ese "o" es excluyente, no significa en absoluto que ese tipo de sonido se pueda denominar de ambas formas).
Las especificaciones de las mesas Behringer hablan de "ecualización británica". Soy guitarrista, y en el mundillo, es de lo más habitual hablar de un amplificador con sonido británico/americano (VOX, Marshall / Fender). ¿O tal vez Abbey Roads definió lo que hoy deberíamos considerar sonido británico? Sea como sea... la alusión existe en muchos contextos.
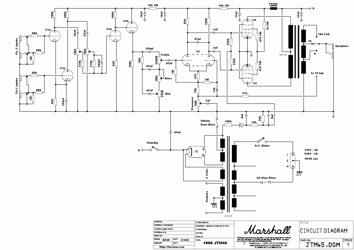
Hola AngelSPA,
Como ya explique en mis respuestas en el video, todo esto de el sonido americano y el sonido ingles no es mas que un ejercicio de marketing y no tiene nada que ver con la realidad
De hecho si quieres puedes verlo tu mismo, en que amplificador crees que esta basado el Marshall JTM45? te doy algunas pistas :
este es el circuito de el JTM 45

y este otro el diseño de el fender bassman

te doy mas pistas
marshall

fender

En serio, lo de el sonido ingles como "respuesta" a el sonido Americano es una solemne majadería y una falsedad histórica sin precedentes.
Un saludo
Nuevo post
Regístrate o identifícate para poder postear en este hilo

