He cometido un pequeño error. Tanto la 800 como la 900 tienen atenuador, el de la 800 efectivamente se puede ajustar desde un control físico en el panel trasero y tiene 4 posiciones... Pero el de la 900 no, me equivoqué, en lugar de control físico se ajusta desde las preferencias Club Setup del mixer, y tiene solo 3.
Brian Cross nos enseña a ser djs
OFERTAS EN TIENDAS Ver todas
-
-14%SPL Goldmike MK2 B-Stock
-
-17%Erica Synths Black DJ VCF
-
-31%Behringer X-Touch Compact
¿Tienes equipo que ya no usas? Véndelo en Mercasonic
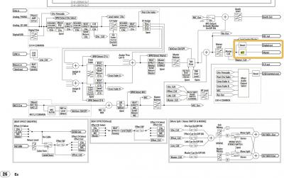
Teo Tormo escribió:Respecto a lo que unos y otros decían sobre si la DJM900 tiene limitador o no... Sí, pero no. Si se consulta el diagrama del mixer, que está al final de su manual, se puede ver que justo antes de la salida Master analógica tiene un atenuador, de hecho mirando la parte de atrás del mixer hay un control para elegir el nivel del atenuador.
pues no señor , la djm900 no tiene ese atenuador , NO LO TIENE
1 respuesta directa
#50 SR DELA3R , que todos los que has puesto lo hagan de esa manera no significa que lo estén haciendo bien , muy por el contrario : lo están haciendo MAL , muy mal .
No puedes nunca querer tener la razón con argumentos tan pobres como : "si lo hace fulanito así , que gana xx , no lo puede estar haciendo mal " , te reitero , es un argumento muy pobre y carente de todo conocimiento .
Tengo una Djm800 , y una djm900 y se muy bien como trabajan , en el rojo suena feo . NO es cuestión de leerse un manual , es cuestión de saber usar lo que te pongn delante .
Usa las señales luminosas que para algo están : VERDE = BIEN , zona óptima de trabajo .
Ambar = peligro
ROJO = Malo , peligro de quemar etapas de potencia y joderlo todo , zona de ignorantes .
No le sigas buscado la vuelta porque no la tiene .
No puedes nunca querer tener la razón con argumentos tan pobres como : "si lo hace fulanito así , que gana xx , no lo puede estar haciendo mal " , te reitero , es un argumento muy pobre y carente de todo conocimiento .
Tengo una Djm800 , y una djm900 y se muy bien como trabajan , en el rojo suena feo . NO es cuestión de leerse un manual , es cuestión de saber usar lo que te pongn delante .
Usa las señales luminosas que para algo están : VERDE = BIEN , zona óptima de trabajo .
Ambar = peligro
ROJO = Malo , peligro de quemar etapas de potencia y joderlo todo , zona de ignorantes .
No le sigas buscado la vuelta porque no la tiene .
Alguien escribió:SR DELA3R , que todos los que has puesto lo hagan de esa manera no significa que lo estén haciendo bien , muy por el contrario : lo están haciendo MAL , muy mal .
Antes de nada, aprende a escribir y a ver lo que escribes.
Para tí todo está mal, eso ya lo sabemos, el mero hecho de insultar a personas ya de por sí es de miserables, en el cual a usted le incluyo.
juan-carlos-pacheco escribió:No puedes nunca querer tener la razón con argumentos tan pobres como : "si lo hace fulanito así , que gana xx , no lo puede estar haciendo mal " , te reitero , es un argumento muy pobre y carente de todo conocimiento .
Claro que no me das la razón, porque ní tan siquiera has sido capaz de leer mís argumentos (aparte de ser un mentiroso por lo que se ve en toda regla). En todo el post no he escrito nada si lo hace fulanio asi y menos aún el término...gana xx? que esto? una película erótica?
Antes de criticar (que se te da muy bien) deberias de mirarte la cara de verguenza que tienes entrando y calificando a personas en los post de hispasonic.
juan-carlos-pacheco escribió:Tengo una Djm800 , y una djm900 y se muy bien como trabajan , en el rojo suena feo . NO es cuestión de leerse un manual , es cuestión de saber usar lo que te pongn delante .
Pues ya sabes, empieza a a dar lecciones tan listo que "te crees ser" hacía mí comentario #50 . A mí tú no me tienes que dar ninguna lección sobre sonido porque tus argumentos son tán pésimos y vulgares, sin decir, la envidia y la falta de educación que muestras por tú parte.
Alguien escribió:Usa las señales luminosas que para algo están : VERDE = BIEN , zona óptima de trabajo .
Ambar = peligro
ROJO = Malo , peligro de quemar etapas de potencia y joderlo todo , zona de ignorantes .
Zona optima de trabajo?, peligro?, zona de ignorantes? Ya de por sí estos argumentos son tan pobres y poco educativos que no llevan a ninguna parte, ni razonamiento y menos aún, algo constructivo.
juan-carlos-pacheco escribió:No le sigas buscado la vuelta porque no la tiene .
Tú si que no tienes remedio.
DeKa3r escribió:Zona optima de trabajo?, peligro?, zona de ignorantes?
lo puse en términos que tu puedas entender .
No has aprendido aún a usar un mixer , cuando sepas hacerlo podemos seguir hablando .
No sigas buscando material porque no vas a encontrar NUNCA a alguien con cierta autoridad diciendo que usar el mixer en rojo está bien , no busques porque no hay .
El post 50 al que haces referencia da vergüenza ajena tío . Ya te lo dije yo y te lo puede corroborar cualquier forero con cierta experiencia , que todas esas fotos son un fiel reflejo de lo mal que está el panorama dj en el mundo actual .
Cada una de esas fotos muestra como NO se debe usar un equipo . Da igual quien pose en la foto , DA IGUAL , usar un equipo de esa manera es usarlo mal .
No hay mas que eso .
1 respuesta directa
#62
Habló "el listo" pero pioneer lo dejó escrito...
http://www.pioneerelectronics.com/ephox/StaticFiles/Manuals/DJ/DJM-900nexus_SpManual020912.pdf
Páginas 24 y 26 del esquema técnico.
Y mientras tanto, aquí "el listo" tiene mesa pioneer y no la sabe utilizar, ya solo balbuceas falacias y encima viene dando lecciones a todos los "retrasados".
Sí no tienes un mínimo de conocimientos, todo te sonará mal, no es de extrañar visto tú caso de mente, fijate por donde ya encontré algún error por tú parte, al menos, más grave en cuestiones éticas.
Habló "el listo" pero pioneer lo dejó escrito...
http://www.pioneerelectronics.com/ephox/StaticFiles/Manuals/DJ/DJM-900nexus_SpManual020912.pdf
Páginas 24 y 26 del esquema técnico.
Y mientras tanto, aquí "el listo" tiene mesa pioneer y no la sabe utilizar, ya solo balbuceas falacias y encima viene dando lecciones a todos los "retrasados".
Sí no tienes un mínimo de conocimientos, todo te sonará mal, no es de extrañar visto tú caso de mente, fijate por donde ya encontré algún error por tú parte, al menos, más grave en cuestiones éticas.
Alguien escribió:lo puse en términos que tu puedas entender .
No lees lo que te escribo o qué? Tienes algún problema de compresión léxica?
Te lo vuelvo a repetir
Alguien escribió:#64 A mí tú no me tienes que dar ninguna lección sobre sonido
juan-carlos-pacheco escribió:No has aprendido aún a usar un mixer , cuando sepas hacerlo podemos seguir hablando .
El listo eres tú aquí parece ser, el resto somos unos "retrasados", o acaso tienes memoria de pez?
juan-carlos-pacheco escribió:No sigas buscando material porque no vas a encontrar NUNCA a alguien con cierta autoridad diciendo que usar el mixer en rojo está bien , no busques porque no hay .
Antes de hablar, juzga por tús actos, luego como te he dicho, predica con el ejemplo.
juan-carlos-pacheco escribió:El post 50 al que haces referencia da vergüenza ajena tío . Ya te lo dije yo y te lo puede corroborar cualquier forero con cierta experiencia , que todas esas fotos son un fiel reflejo de lo mal que está el panorama dj en el mundo actual .
Claro, ellos no tienen experiencia en nada, como Tú eres aqui "el listo", todos a tú lado somos unos mierdas, unos retrasados y no tenemos ní idea, eso ya lo has dejado claro desde un primer momento.
Alguien escribió:Cada una de esas fotos muestra como NO se debe usar un equipo . Da igual quien pose en la foto , DA IGUAL , usar un equipo de esa manera es usarlo mal .
No hay mas que eso .
Creo que a tí lo que te funciona mal es el cerebro, es triste, pero muestras esa realidad...
1 respuesta directa
déjalo tío , de verdad . Te vas hundiendo en tu desconocimiento . Que tiene que ver un atenuador a la salida ?? luego del Master ?
eso lo unico que hace es bajar el nivel de salida , y ???
te crees que ese atenuador va a mejorar el sonido de mierda que le mandas con los canales todos en rojo ?? NO , lo único que hace un atenuador es bajarle el volumen al mal sonido que ya tengas . O sea que obtendrás un sonido saturado pero "más bajo" , solo eso .
Pero déjalo , de verdad , que no haces más que demostrar , hasta el cansancio , lo equivocado que vas .
eso lo unico que hace es bajar el nivel de salida , y ???
te crees que ese atenuador va a mejorar el sonido de mierda que le mandas con los canales todos en rojo ?? NO , lo único que hace un atenuador es bajarle el volumen al mal sonido que ya tengas . O sea que obtendrás un sonido saturado pero "más bajo" , solo eso .
Pero déjalo , de verdad , que no haces más que demostrar , hasta el cansancio , lo equivocado que vas .
DeKa3r escribió:Creo que a tí lo que te funciona mal es el cerebro
en eso estamos de acuerdo , pero NO SATURO como tu y los de la foto .
DeKa3r escribió:Claro, ellos no tienen experiencia en nada, como Tú eres aqui "el listo"
nadie dice que no tengan experiencia ni que cobren un pastizal , ni que convoquen multitudes , LO que digo es que justo esos ejemplos que has escogido , son de gente que lo hace mal , independientemente de la experiencia que tengan .
y tu eres productor ? joder que bueno , tengo curiosidad por ver como masterizas
1 respuesta directa
Alguien escribió:Te vas hundiendo en tu desconocimiento
Lo mismo te digo, ahora vete a dar clases y el equivocado aquí eres tú.
Alguien escribió:NO SATURO como tu y los de la foto .
Me alegro por tí.
Nuevo post
El topic está cerrado y no se admiten respuestas
