Hola pajaroruta,
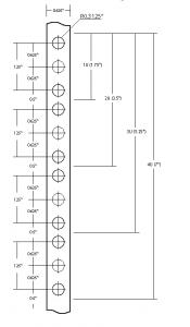
Los raíles del rack siguen un estándar, IEC-60297 y DIN-41494. Si miras en Wikipedia te salen las medidas (ver http://en.wikipedia.org/wiki/19-inch_rack, aunque yo ví un día un planito de la DIN-41494, mucho más currado y con los tamaños de los agujeros, que son cuadrados. Ahora bien, visto una vez y no lo he vuelto a encontrar... ...un misterio. Espero que te valga o te sirva de inicio.
Saludos a tolmundo
Los raíles del rack siguen un estándar, IEC-60297 y DIN-41494. Si miras en Wikipedia te salen las medidas (ver http://en.wikipedia.org/wiki/19-inch_rack, aunque yo ví un día un planito de la DIN-41494, mucho más currado y con los tamaños de los agujeros, que son cuadrados. Ahora bien, visto una vez y no lo he vuelto a encontrar... ...un misterio. Espero que te valga o te sirva de inicio.
Saludos a tolmundo
Responder
Citar

