¿Conectar tarjeta de sonido a pantalla de ampli?

olahf
por el 22/02/2017
#15 ahora si que creo que hemos llegado al fondo del asunto, por lo que veo lo que pretendía si que se puede lograr, pero necesito una caja de reamp y conectar a la entrada de loop de efectos que viene por atrás en el cabezal del ampli para no fastidiar las simulaciones del bias, ahora si que hemos llegado a lo que quería no?

pd: gracias a todos!
OFERTAS EN TIENDAS Ver todas
  • Focusrite Scarlett 2i2 3rd Gen
    118 €
    Ver oferta
  • -14%
    SPL Goldmike MK2 B-Stock
    845 €
    Ver oferta
  • -35%
    Behringer X32 Producer
    969 €
    Ver oferta
SEGUNDA MANO EN MERCASONIC Ver todo
  • Roland MC 202 + Caja Original + Manuales Originales + Fuente Alimentación
    1.700 €
    Ver
  • Zoom h5 grabadora
    150 €
    Ver
  • Mesa mezcladora VIBZ 6D
    70 €
    Ver
¿Tienes equipo que ya no usas? Véndelo en Mercasonic
Micky Vega mod
por el 23/02/2017
A lo comentado hasta ahora (con lo que coincido totalmente), sólo quería añadir que posiblemente te interese desactivar las emulaciones de altavoz de Bias (nótese que me refiero únicamente a la parte "cab", que emula pantallas, no la emulación del cabezal en sí).

Puesto que ya estarás usando una pantalla de guitarra real, la emulación de pantalla no sería necesaria, y a veces te resta algunas frecuencias interesantes. Normalmente hacerlo así entrega un sonido algo más natural, aunque también te aconsejo probarlo de ambas maneras, nunca se sabe...

Lo mismo para la emulación de la etapa de potencia, puesto que ya habrá la etapa real del amplificador (que juraría que también es desactivable).
olahf
por el 23/02/2017
#17 eso si que es hilar fino ya, probaré todo ello, desactivando la emulación del altavoz, y con ella para ver diferenciad de sonido y lo de la etapa lo miraré a ver si se puede desactivar, gracias a todos! de pensar que era imposible hasta aquí la evolución del post ha sido muy buena
Harpocrates666
por el 23/02/2017
Pero sabes, pensando lo bien ¿para que quieres las emulaciones del bias así tienes al valvestate?

Quizás para emular los pedales solamente y ahi si se justifica entrar por la entrada principal, pero el valvestate yo creo te dará mejor sonido a valvulas, de hecho las trae de verdad.

Lo de la emulacion de pantalla, pues si, deberás desactivarla, pantalla sobre pantalla echará a perder la emulacion.
1 respuesta directa
olahf
por el 23/02/2017
pues el sonido de mi ampli ya lo conozco bien y quiero experimentar con mas sonidos sin comprar mas material, no es otra cosa en una habitación en la que está el ampli y no los monitores de estudio, así que ahora en cuanto compre lo del reamp podré empezar a jugar
1 respuesta directa
Magti
por el 23/02/2017
#19

En una grabación casi que sonara mejor el BIAS que un valvestate... Otra cosa es que te guste más o no el tono del valvestate-

Un valvestate lleva ¿1? valvula de previo, 2 como mucho...
2 respuestas directas
olahf
por el 23/02/2017
una de previo na mas, sus distorsiones son bastante feas, yo solía usar el canal de limpio y ahí meterle una distor con un pedal cuando tocaba en el local, el tema de grabaciones aun no lo he tocado estoy empezando con ello ahora y por el momento solo he usado bias que me está gustando
robinette
por el 23/02/2017
#22
No serás el primero (ni el último) que después de sacar un sonido que te satisface al ampli, lo grabas y el resultado no se le parece en nada al sonido del que partías.

Estoy con Magti. Salvo que grabes en un estudio con tablas sacarás mejor sonido en grabación con el BIAS.

Un saludo.
2 respuestas directas
olahf
por el 23/02/2017
#23 no tengo pensado grabar por el momento aunque esté empezando a tontear con un daw, pero gracias por el consejo, el motivo de usar el ampli era poder usarlo en una habitación en la que está el, pero no están los monitores de estudio, vamos para usarlo meramente como altavoces del portatil para el bias.

Ese era el asunto inicial, por el momento no lo podré hacer porque aun no he comprado la caja de reamp, pero lo haré
Harpocrates666
por el 24/02/2017
Magti escribió:
Un valvestate lleva ¿1? valvula de previo, 2 como mucho...


Y queda claro que de electronica de válvulas no tienes mucha idea. Intentar concluir cosas sin entender un poco mas al respecto es un poco arriesgado.

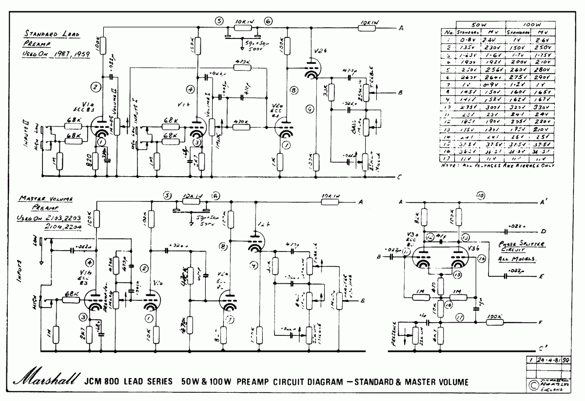
En estos esquemáticos de un JCM800 y superlead no veo mas de 4 triodos es decir dos válvulas en el previo:

a75c0e4b2f8202ec83a87a9d50a3c-4362671.gif

De esas dos válvulas una completa se está utilizando como mero adaptador de impedancia mediante una configuracion de seguidor de cátodo. Esto permite ofrecer una baja impedancia de salida ya sea para sacar la señal por el loop de efectos o para alimentar es tone stack con una buena cantidad de señal que por lo general un tone stack pasivo chupa bastante señal. Esto se hace para llegar a la etapa de potencia con una buena cantidad de señal de manera de logar mayor saturación en dicha etapa, pero habiendo transistores no se hace necesario este seguido de cátodo mediante válvulas.

En un constado podemos ver una tercera válvula que es un inversor de fase, que lo que haces es suministrar la señal separada en sus dos ciclos de manera que cada ciclo se amplifique en una válvula de potencia distinta. Esta etapa al igual que el seguidor de cátodo se hace innecesaria cuando de transistores se trata, por lo tanto el previo se resume básicamente en dos triodos, es decir una válvula.

Si quisieras agregar a un diseño mas canales, subiría el numero de válvulas, pero un diseño inteligente y apoyado por la flexibilidad de los transistores puedes tener una sola etapa de preamplificación y variar los parámetros de la señal que llega ella de esa manera lograr distintos canales.

En conclusión, llevar una sola válvula en realidad no lleva a la conclusión que se está intentando sacar. Con esa válvula y trabajado a alto voltaje es un previo valvular completamente funcional similar al de cualquier otro diseño reconocido tanto de la marca como de sus competidores. Si crees que ha de llevar mas válvulas es que simplemente no sabes lo que hace una válvula.

Magti escribió:
En una grabación casi que sonara mejor el BIAS que un valvestate... Otra cosa es que te guste más o no el tono del valvestate-


Pasando las emulaciones del bias por la pantalla y etapa del valvestate casi seguro que saca mejor sonido directamente con el previo del valvestate. Aunque si a lo que se refieren es que es mejor quedarse en digital estoy totalmente de acuerdo, sin salir al valvestate creo que obtendrá muchos mejores resultados.

olahf escribió:
pues el sonido de mi ampli ya lo conozco bien y quiero experimentar con mas sonidos sin comprar mas material


La etapa de potencia y la pantalla del valvestate te harán sonar el bias a valvestate, créeme que esos dos componentes de enmascararán bastante el sonido del bias.

Lo propio sería tener una muy buena etapa de potencia, transparente y que deje actuar a la emulación por software y eso pasado por una pantalla de calidad si que marcará la diferencia, pero no es el caso así que yo creo que lo mejor es quedarse en software.
2 respuestas directas
robinette
por el 24/02/2017
Sir Harpo de Molabien escribió:
Pasando las emulaciones del bias por la pantalla y etapa del valvestate casi seguro que saca mejor sonido directamente con el previo del valvestate. Aunque si a lo que se refieren es que es mejor quedarse en digital estoy totalmente de acuerdo, sin salir al valvestate creo que obtendrá muchos mejores resultados.

En mi caso concreto me refiero a una grabación de un usuario cualquiera de los que se cuentan por miles (home studios).
Más o menos lo explico en #23 .
"robinette" escribió:
No serás el primero (ni el último) que después de sacar un sonido que te satisface al ampli, lo grabas y el resultado no se le parece en nada al sonido del que partías.

Estoy con Magti. Salvo que grabes en un estudio con tablas sacarás mejor sonido en grabación con el BIAS.

En cuanto pasas el sonido por ampli+pantalla, hay que capturarlo con microfonía. Y ahí está lo verdaderamente jodido.
Es muy complicado capturar tal cual se escucha el sonido al ampli+pantalla solo escuchando el ampli+pantalla.
Se necesita SI o SI verificar la escucha dentro del control room (monitores) para conseguir el resultado deseado en grabación.

En el caso de olahf no parece poder chequear el sonido del ampli+pantalla en sus monitores (por el motivo ya mencionado) por lo que, si lo que quiere es tocar/probar/ensayar/sacar sonidos perfecto así... BIAS+ampli+pantalla. Pero si lo que quiere es grabar, le va a ser más sencillo y provechoso sacar el sonido directamente desde el BIAS por sus monitores (con el previo que se tercie).

No se trata de quedarse o no en digital. Depende de para qué... y de dónde (como he dicho antes en un estudio con tablas se saca el sonido deseado microfoneando ampli+pantalla... pero no es el caso).

Mi opinión... una más. :D

Un saludo.
2 respuestas directas
olahf
por el 25/02/2017
robinette escribió:
En el caso de olahf no parece poder chequear el sonido del ampli+pantalla en sus monitores (por el motivo ya mencionado) por lo que, si lo que quiere es tocar/probar/ensayar/sacar sonidos perfecto así... BIAS+ampli+pantalla. Pero si lo que quiere es grabar, le va a ser más sencillo y provechoso sacar el sonido directamente desde el BIAS por sus monitores (con el previo que se tercie).


Eso es lo que quiero exactamente jugar un poco, tocar/ensayar/sacar sonidos... y poder hacerlo con el ampli que es lo que tengo en esa sala pero pudiendo experimentar con bías

Lo que pensé que iba a ser un tema casi sin respuesta, me ha valido un montón hay muchas cosas que desconocía! (y las que me quedan)
Harpocrates666
por el 25/02/2017
"robinette" escribió:
En cuanto pasas el sonido por ampli+pantalla, hay que capturarlo con microfonía. Y ahí está lo verdaderamente jodido.
Es muy complicado capturar tal cual se escucha el sonido al ampli+pantalla solo escuchando el ampli+pantalla.
Se necesita SI o SI verificar la escucha dentro del control room (monitores) para conseguir el resultado deseado en grabación.


La técnica de las cuatro patitas también ayuda. Te colocas a lo perrito en cuatro patas a la altura del la caja y pones la oreja frente a los conos, te mueves buscando el sweet spot. Ahora, claro que esto sirve únicamente con amplis de tipo para tocar en casa, valvulares de un par de watts. No se te vaya a ocurrir ponerle la oreja al cono con un ampli de 100 watts a toda caña.

robinette escribió:
En el caso de olahf no parece poder chequear el sonido del ampli+pantalla en sus monitores (por el motivo ya mencionado) por lo que, si lo que quiere es tocar/probar/ensayar/sacar sonidos perfecto así... BIAS+ampli+pantalla. Pero si lo que quiere es grabar, le va a ser más sencillo y provechoso sacar el sonido directamente desde el BIAS por sus monitores (con el previo que se tercie).


En ese caso como dices directo por sus monitores, si no tiene monitores pues con audífonos, no es que una pantalla sea la mejor herramienta para monitorizar a no ser que fuera algo del tipo full range.

Yo olahf te recomiendo no salir del software, es interesante lo que planteas para jugar un poco, pero esa pantalla te cargará todas las emulaciones, no las podrás apreciar realmente como son, su propia respuesta (que no es de las mejores) imprimirá su sello sobre la emulación.
1 respuesta directa
robinette
por el 25/02/2017
"Sir Harpo de Molabien" escribió:
La técnica de las cuatro patitas también ayuda. Te colocas a lo perrito en cuatro patas...

No gracias... dejo esa técnica para los más atrevidos. :D
Harpocrates666
por el 25/02/2017
robinette escribió:
No gracias... dejo esa técnica para los más atrevidos


Que básico, típica broma de marichulo represor esbirro del patriarcado heteronormativo

:loco:
1 respuesta directa
Nuevo post

Regístrate o para poder postear en este hilo

Música
Temas