EQs para añadir y EQs para substraer?

xopo
por el 23/04/2012
Tomando nota.

Algunas cosas se me escapan un poco...
OFERTAS EN TIENDAS Ver todas
  • -14%
    SPL Goldmike MK2 B-Stock
    845 €
    Ver oferta
  • -26%
    Moog Messenger
    699 €
    Ver oferta
  • -17%
    Erica Synths Black DJ VCF
    148 €
    Ver oferta
SEGUNDA MANO EN MERCASONIC Ver todo
  • Controladora Denon DJ 4 Plus. Estado como nuevo
    1.500 €
    Ver
  • Yamaha MOX-6
    430 €
    Ver
  • Malekko Manther growl Modular synth VCO
    320 €
    Ver
¿Tienes equipo que ya no usas? Véndelo en Mercasonic
xopo
por el 24/04/2012
Me llama la atención, aunque tampoco voy a sorprenderme mucho por ello porque hay no pocas voces al respecto, que algunas "muy" comerciales y de aspecto tan goloso no se hayan mencionado, como Waves API, emulaciones de SSL (tanto Waves como Duende), y las variadas de Softube y SPL.

En general me han gustado, pero no puedo negar que el tener una GUI trabajada te atrapa inconscientemente y me hace creerme más molón.

Usuarios contentos o arrepentidos del gasto?
1 respuesta directa
Gracias a todos
por el 24/04/2012
Qué bueno...
xopo
por el 24/04/2012
Por no hablar de los que están mirando y aún saben menos que tú lo que estás haciendo...
Gracias a todos
por el 24/04/2012
jajajajaa
Daniel Lazarus
por el 24/04/2012
#17

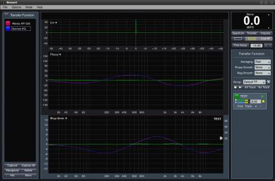
Un ejemplo rápido usando el Smaart... No me he matado a igualar totalmente la respuesta, pero vamos... Supongo que se entiende el concepto. Básicamente, el color azul es el del Sonnox EQ, el rosa es el Waves API 550A mono y en verde la diferencia entre ambos con esos ajustes, de arriba a abajo, respuesta de impulso, fase y frecuencia.
Archivos adjuntos ( para descargar)
Waves-API-550A-vs.-Sonnox-EQ.png
Daniel Lazarus
por el 24/04/2012
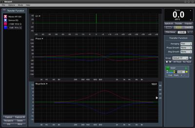
Aquí lo mismo pero usando sólo el Sonnox EQ para demostrar que añadir y quitar en digital es prácticamente lo mismo...

En rosa +10dB en 1KHz con Q=1, en azul -10dB en 1KHz con Q=1. En verde, la diferencia entre ruido rosa limpio y ruido rosa pasado a través de dos instancias del Sonnox EQ, la primera añadiendo los 10dB y la segunda restándolos.

Edito: el ruido es blanco, no rosa... #-o
Archivos adjuntos ( para descargar)
Añadir-y-quitar-en-digital.png
Daniel Lazarus
por el 24/04/2012
No sé si venía muy a cuento lo de colgar las imágenes, pero así me quedo tranquilo... :)

Lo que añaden los Waves (API, SSL) y seguramente alguno de los otros que comentas, xopo, desde mi humilde punto de vista, es básicamente el logo, la interfaz, ruido y quizás algo de emulación de vete tú a saber qué... Seguramente lo que sí que puede variar es el tipo de curvas que hacen, quizás algún plugin introduzca desfases a propósito para emular algo, armónicos por lo de las válvulas, etc. ... Pero lo que es el tema de algoritmos de EQ en digital, realmente todos suenan igual. Si puedes reconstruir la curva puedes reconstruir el sonido. Había un blog en el que un tío se había dedicado a comparar plugins de EQ, demostrando eso, que todos suenan prácticamente igual y definía a los plugins paramétricos de EQ como "EQ+X". La X es lo que hace que el plugin suene diferente (lo dicho, armónicos, ruido, etc.) pero la parte "EQ" (los algoritmos, el tipo de cálculo) es prácticamente igual en todos.

Mirando los Waves, el API 550A, por ejemplo... Lo que yo veo es que la parte de EQ funciona normal, con sus filtros, sus desfases y sus cosas. El botón "Analog" mete algo de armónicos (pares e impares) y ruido blanco "filtrado", imagino que para emular algo de la unidad original. El ruido es 10dB más alto en los graves que en los agudos, así que supongo que dará algo de "calidez" entre lo uno y lo otro. Pongo una imagen...

El botón "Analog" del Waves SSL-Channel mete ruido casi blanco. El ruido es "casi-blanco" porque no es plano, suma un par de dBs en los graves (sobre 50Hz) y quita otro par de dBs en los medios (sobre los 600Hz), quedando plano en los agudos. Es como una curva ancha de las de mástering, con factores Q muy bajos. Además, añade un par de armónicos, enfatizando el de tercer orden, pero lo hace aún con el botón "Analog" desactivado.

No sé, se podrían hacer muchas pruebas, pero creo que esto ya no sería tanto un tema de mezcla y quizás un tema más de "análisis de plugins" o algo así.
Archivos adjuntos ( para descargar)
Waves-API-550A-Analog.jpg
Daniel Lazarus
por el 24/04/2012
De Softube recuerdo que probé el compresor. Lo instalé, lo probé, no entendí lo que estaba haciendo, lo analicé y cuando ví la respuesta lo borré. Lo peor de todo, cuando ví el precio, me escandalicé!!! #-o Así que ni ganas de probar el EQ...
frecuencializer
por el 24/04/2012
yo soy feliz con el DIGI EQ III, sobre todo aplico paso altos, paso bajos, low shelvings, etc... quitar mas que otra cosa, a veces puede tb. añadir algun dB por ahi, pero lo de añadir ahora se lo dejo a los hierros del rack, que esos si que suenan entre ellos muy diferente.

Tengo waves y UAD... pero para otras cosas.
Gracias a todos
por el 24/04/2012
"Daniel Lazarus" escribió:
AVISO: Ayer ERA NOVATO!!! Ahora soy "ENTERADILLO CASERO"...


Buenísmo, podían aplicarse el cuento muchos.
Gracias a todos
por el 24/04/2012
"Daniel Lazarus" escribió:
usando el Smaart...


No lo conozco, ¿me puedes contar algo de este programa?
Daniel Lazarus
por el 24/04/2012
#27

El Smaart es un famoso analizador de audio en tiempo real orientado al directo pero es tan bueno que se puede usar como quieras. Básicamente compara dos canales de audio y muestra las diferencias entre ellos, pero con mucha precisión. En la versión 7, la última, trabaja en multicanal y puedes medir varios canales a la vez. A la práctica funciona como un téster de electrónica, que tienes dos puntas y las pones para medir un componente o grupo de componentes, el Smaart lo mismo pero en sonido. Si le mandas a un canal la señal que sale del convertidor y a otro la que sale de un monitor verás perfectamente como influye la acústica de la sala. Si le mandas la señal antes de un compresor analógico, por decir algo, y otra señal después del compresor, lo mismo. Como yo no sonorizo directos, lo uso para medir la acústica de mi habitación y para probar plugins como aquí. Lo ideal, si te dedicas profesionalmente, sería tenerlo instalado en un pequeño portátil con una pequeña tarjeta de sonido como "kit de medición" al que le puedas mandar lo que quieras con un par de cables. La verdad, si no lo conoces, deberías probarlo. Te puedes descargar la demo desde aquí: http://www.rationalacoustics.com/pages/Smaart_Download

Lo dicho, es muy bueno. Desde hace años es uno de los referentes en cuanto a análisis.

Más info:



Gracias a todos
por el 24/04/2012
Gracias, le echaré un ojo.
Jorge G.
por el 24/04/2012
Perdonad por seguir con el tema de Smaart y no continuar con el hilo del tema. Entonces basicamente con ese programa podria comparar la senyal que le enviase a los monitores y a traves de un microfono comparar esa senyal con la que me traduzcan los monitores y asi poder ajustarlos mas finamente? (Estoy en el trabajo y no puedo ver los videos que pusisteis).
Es algo que siempre me ha traido de cabeza porque me gustaria ajustar mis monitores de la manera mas fina posible a la habitacion, lo tengo hecho a "ojimetro" por lo que lei en el libro de "Loudspeakers For music recording and reproduction", pero aun asi noto que todavia se puede mejorar.
Nuevo post

Regístrate o para poder postear en este hilo

Música
Temas