Buenas tardes a todos los integrantes de esta bella comunidad de conocimientos compartidos! Hoy les traigo un problema que me esta causando dolores de cabeza. Intentare ser lo mas exacto y breve posible.
Tengo un Korg Krome 73 el cual vengo usando muy satisfecho por su rendimiento, que de apoco y gracias a las personas que en esta comunidad nos enseñan de síntesis, de samplers y tantas otras cosas, voy a prendiendo a manejarlo cada vez mejor.
Hasta hace muy poco venia utilizando el teclado con un pedal de sustain Kurzweil ( conectado al "damper") y un pedal de expresión hecho por mi (conectado a la ficha "Pedal") con la función de master volum, para lograr mayor expresividad y climas a la hora de tocar en vivo.
Ambos funcionaban muy bien, cumpliendo sus respectivas funciones hasta que de un día para el otro, al conectarlos como habitualmente hacia, noto que al utilizar el pedal de expresión no ocurre nada, y al presionar el pedal de sustain el volumen desaparecía, y al soltarlo el volumen regresaba. Básicamente el pedal de expresión no cumplía ninguna función y el pedal de sustain funcionaba como pedal de expresión.
En ese mismo momento desconecte el pedal de expresión y su respectivo cable, y todo volvió a la normalidad, mas no pude utilizarlo en ese show.
Al volver a mi casa intente nuevamente probar el teclado conectando los pedales como siempre hice, (Pedal de sustain a la ficha "Damper", pedal de expresión a la ficha "Pedal") pero esta vez con otro cable estéreo, suponiendo que fuera el cable que funcionaba mal. El resultado fue el mismo, no se trataba del cable. Con un tester me asegure que ambos cables utilizados para probarlo estuviera funcionando correctamente. En ese caso suponiendo que la falla era del pedal, realice una ultima prueba, conecte un cable estéreo a la entrada "Pedal" del teclado pero sin conectarle nada al otro extremo del cable. El resultado fue el mismo, de manera que la falla se encuentra en el teclado, ya que ni los cables ni el pedal que yo hice presentaban problemas, y el problema lo presenta el teclado al conectarle una ficha estéreo a la entrada de "Pedal".
Desarme el teclado, removí la placa que posee los plug hembra donde se conectan los pedales, la limpie con alcohol isopropilico, y limpie también las fichas hembra por dentro, esperando que el error sea producto de suciedad o alguna basura. Desgraciadamente, al volver a armarlo y probarlo el problema persistía.
Por favor, si alguno conoce de electrónica y sabe cual puede ser el problema que padece este teclado, le voy a agradecer infinitamente la ayuda.

Desde ya les agradezco inmensamente la posibilidad de solicitar ayuda por este medio, y por todos los aportes que hacen para instruirnos a los que estamos comenzando en el hermoso mundo del arte musical.
Gracias!!
Un saludo para todos!
Miguel Esposito
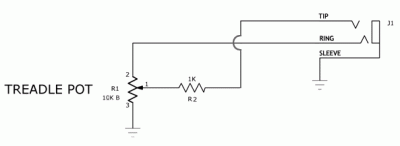
PD: Adjunto una foto del circuito que utilice para armar mi pedal de expresión, por si es necesario.
Tengo un Korg Krome 73 el cual vengo usando muy satisfecho por su rendimiento, que de apoco y gracias a las personas que en esta comunidad nos enseñan de síntesis, de samplers y tantas otras cosas, voy a prendiendo a manejarlo cada vez mejor.

Hasta hace muy poco venia utilizando el teclado con un pedal de sustain Kurzweil ( conectado al "damper") y un pedal de expresión hecho por mi (conectado a la ficha "Pedal") con la función de master volum, para lograr mayor expresividad y climas a la hora de tocar en vivo.
Ambos funcionaban muy bien, cumpliendo sus respectivas funciones hasta que de un día para el otro, al conectarlos como habitualmente hacia, noto que al utilizar el pedal de expresión no ocurre nada, y al presionar el pedal de sustain el volumen desaparecía, y al soltarlo el volumen regresaba. Básicamente el pedal de expresión no cumplía ninguna función y el pedal de sustain funcionaba como pedal de expresión.
En ese mismo momento desconecte el pedal de expresión y su respectivo cable, y todo volvió a la normalidad, mas no pude utilizarlo en ese show.
Al volver a mi casa intente nuevamente probar el teclado conectando los pedales como siempre hice, (Pedal de sustain a la ficha "Damper", pedal de expresión a la ficha "Pedal") pero esta vez con otro cable estéreo, suponiendo que fuera el cable que funcionaba mal. El resultado fue el mismo, no se trataba del cable. Con un tester me asegure que ambos cables utilizados para probarlo estuviera funcionando correctamente. En ese caso suponiendo que la falla era del pedal, realice una ultima prueba, conecte un cable estéreo a la entrada "Pedal" del teclado pero sin conectarle nada al otro extremo del cable. El resultado fue el mismo, de manera que la falla se encuentra en el teclado, ya que ni los cables ni el pedal que yo hice presentaban problemas, y el problema lo presenta el teclado al conectarle una ficha estéreo a la entrada de "Pedal".

Desarme el teclado, removí la placa que posee los plug hembra donde se conectan los pedales, la limpie con alcohol isopropilico, y limpie también las fichas hembra por dentro, esperando que el error sea producto de suciedad o alguna basura. Desgraciadamente, al volver a armarlo y probarlo el problema persistía.

Por favor, si alguno conoce de electrónica y sabe cual puede ser el problema que padece este teclado, le voy a agradecer infinitamente la ayuda.

Desde ya les agradezco inmensamente la posibilidad de solicitar ayuda por este medio, y por todos los aportes que hacen para instruirnos a los que estamos comenzando en el hermoso mundo del arte musical.
Gracias!!
Un saludo para todos!
Miguel Esposito
PD: Adjunto una foto del circuito que utilice para armar mi pedal de expresión, por si es necesario.
