El sentido común indica que esperes el tiempo ese y ajustes el 0
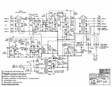
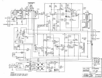
Otro tema es el porqué un LA-2A varía y otro se queda clavado en 0 desde el primer momento, ello sólo puede ser indicador que las resistencias LDR son diferentes o de diferente fabricante, o sea, que pueden comportarse también acústicamente diferentemente (vaya, es de sentido común...).
Prueba de intercambiar los módulos T4B, así descartamos este tema.
No sé si mucha gente trabaja con el LA-2A en link stereo, yo no conozco a nadie, sé que UA fabricó la versión doble estéreo y la dejaron de fabricar. La leyenda urbana dice que era muy difícil que el equilibrio de canales fuera el adecuado.
Los amigos de DeMaría si que fabrican el ADL 1500 que es doble estéreo. Pero en el manual no dan detalles de cómo funciona, ni siquiera dicen si funciona con panel electroluminiscente (como el LA-2A) o funcina con led.
El tema del descenso de 2dB del Millennia lo veo casi que más grave, ya me contarás
Otro tema es el porqué un LA-2A varía y otro se queda clavado en 0 desde el primer momento, ello sólo puede ser indicador que las resistencias LDR son diferentes o de diferente fabricante, o sea, que pueden comportarse también acústicamente diferentemente (vaya, es de sentido común...).
Prueba de intercambiar los módulos T4B, así descartamos este tema.
No sé si mucha gente trabaja con el LA-2A en link stereo, yo no conozco a nadie, sé que UA fabricó la versión doble estéreo y la dejaron de fabricar. La leyenda urbana dice que era muy difícil que el equilibrio de canales fuera el adecuado.
Los amigos de DeMaría si que fabrican el ADL 1500 que es doble estéreo. Pero en el manual no dan detalles de cómo funciona, ni siquiera dicen si funciona con panel electroluminiscente (como el LA-2A) o funcina con led.
El tema del descenso de 2dB del Millennia lo veo casi que más grave, ya me contarás
Responder
Citar
