Hola a todos !
Espero que estéis todos bien !!! Y a ver si pasa toda esta movida de una put.. vez
Acabo de ver este post en el grupo de rodec de Facebook, no entiendo un pijo de que quiere decir pero me da que debe ser interesante
———————
[WOW ALERT]
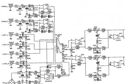
While taking care of my MX180 mk3 and studying the schematics i noticed something very odd. Rodec company made a huge mistake. They applied emi filters on each input including a phono stage input! As you may know the proper cartridge loading is between 100 - 300 pF. The passive filter used by Rodec uses 1nF (1000 pF) capacitor which lead to very unproper cartridge loading. That causes a significant rolloff in high frequency region. The sound becomes muddy and dark. That may be the reason why some of you think that some versions of MX180 sound better than another.
This is my mail exchange with sir Graham Slee. In my opinion he is the best phono stage maker in the world and a man with a huge knowledge.
My question:
"Hello Graham,
recently I bought an old DJ console by Rodec. I found in the schematic something i've never seen before and i'm really suprised. Your knowledge about phono stages is definitely bigger than mine, so i couldn't resist and I wrote to you.
The total cartridge loading in phono input goes up to 1220 pF! Is that even acceptable? Or it's a manufacturers mistake? I've included the picture with the schematic.
Have a great evening and thank you so much for the answer.
Best,
Kamil"
His response:
"Hi Kamil,
Now, that’s what I call clever!
Or it would be if it worked.
You are quite right, 1220pf is the capacitive load, and I simulated it on my MM response model, so I could show you the response curve, and to make sure your (and mine) assumption is correct.
By the way, the 2.2k resistance is swamped by the cartridge inductance, and so the two capacitors appear in parallel.
I would remove the inductors and 1n caps on the phono stage inputs. The other inputs should be fine.
See attached.
Best wishes,
Graham"
Get rid of 1nF (C35 and C36) caps, short the input coils (L1 and L2) and thank me later
Espero que estéis todos bien !!! Y a ver si pasa toda esta movida de una put.. vez
Acabo de ver este post en el grupo de rodec de Facebook, no entiendo un pijo de que quiere decir pero me da que debe ser interesante
———————
[WOW ALERT]
While taking care of my MX180 mk3 and studying the schematics i noticed something very odd. Rodec company made a huge mistake. They applied emi filters on each input including a phono stage input! As you may know the proper cartridge loading is between 100 - 300 pF. The passive filter used by Rodec uses 1nF (1000 pF) capacitor which lead to very unproper cartridge loading. That causes a significant rolloff in high frequency region. The sound becomes muddy and dark. That may be the reason why some of you think that some versions of MX180 sound better than another.
This is my mail exchange with sir Graham Slee. In my opinion he is the best phono stage maker in the world and a man with a huge knowledge.
My question:
"Hello Graham,
recently I bought an old DJ console by Rodec. I found in the schematic something i've never seen before and i'm really suprised. Your knowledge about phono stages is definitely bigger than mine, so i couldn't resist and I wrote to you.
The total cartridge loading in phono input goes up to 1220 pF! Is that even acceptable? Or it's a manufacturers mistake? I've included the picture with the schematic.
Have a great evening and thank you so much for the answer.
Best,
Kamil"
His response:
"Hi Kamil,
Now, that’s what I call clever!
Or it would be if it worked.
You are quite right, 1220pf is the capacitive load, and I simulated it on my MM response model, so I could show you the response curve, and to make sure your (and mine) assumption is correct.
By the way, the 2.2k resistance is swamped by the cartridge inductance, and so the two capacitors appear in parallel.
I would remove the inductors and 1n caps on the phono stage inputs. The other inputs should be fine.
See attached.
Best wishes,
Graham"
Get rid of 1nF (C35 and C36) caps, short the input coils (L1 and L2) and thank me later
Responder
Citar
