Pregunto ya porque me estoy volviendo gilipollas ... como se llaman o como busco los conectores estos multipin, como el que se ve en la foto de Neo? Los que ha en la parte in/out y los que van a las placas de controles ...
Previo de micro a válvula
OFERTAS Ver todas
-
-12%K Multimedia iLoud Micro Monitor Pro
-
-20%Moog Messenger
-
-31%Behringer X-Touch Compact
Conectores PCB, lo que no sé es si viene ya el cable con el conector o es solo el cable y hay que comprar el conector aparte
http://www.banzaimusic.com/PCB-Connectors/
http://www.banzaimusic.com/PCB-Connectors/
http://es.farnell.com/camden/ctb9358-10/macho-side-entry-10-vias-5-08-mm/dp/1717044
http://es.farnell.com/entrelec-uk/l25510211000/macho-pcb-recto-5-08-mm-2vias/dp/1214806
estos tambien pero no encuentro las hembras
me interesa a mi tambien aver si lo encontramos
http://es.farnell.com/entrelec-uk/l25510211000/macho-pcb-recto-5-08-mm-2vias/dp/1214806
estos tambien pero no encuentro las hembras
http://es.farnell.com/weidmuller/1508860000/header-5-08mm-side-10way/dp/1866453
http://es.farnell.com/weidmuller/1715260000/terminal-block-pcb-3pos-22-14awg/dp/4471799
Mas pero sigo sin encontrar la otra parte, hacen falta de 10,5 y 3 contactos
http://es.farnell.com/weidmuller/1715260000/terminal-block-pcb-3pos-22-14awg/dp/4471799
Mas pero sigo sin encontrar la otra parte, hacen falta de 10,5 y 3 contactos
Hola,
Solker me hizo un par de preguntas sobre el previo por privado y las contesto aquí por si son de interés para el resto.
Sobre el tema del material, las piezas las podéis encontrar en Farnell ( o Mouser que acaba de abrir tienda en España). Ahí encontraréis casi de todo, incluso los transformadores de audio de entrada y salida OEP. Si queréis los Lundahl mirad en Canford.
Las válvulas y sockets las podéis encontrar en Tube Amp Doctor. Ojo con los sockets que compréis, tenéis que comprar los pequeños si usáis las placas que se venden en Prodigy-pro.
Y si queréis conectores ya pacheados y knobs bonitos los podéis encontrar en musikding.de o en banzaiefects. Yo con la ultima he sido cliente durante un tiempo y no la recomiendo por lo que a mi experiencia se refiere. Siempre me han tardado mucho en enviar el material e incluso a veces he comprado algunos potenciometros de un tipo y me han mandado otros de mas baratos sin que el tipo responda mis mails. Otros usuarios han tenido buenas experiencias así que la mia no es definitiva.
Las placas que venden en Prodigy-pro estan muy bien. Y, si, el tipo que las hace se saca un beneficio, aunque sea modesto.
La caja os la podeis hacer vosotros con un rack vacio o la podéis comprar hecha en diyracked. Es un poco cara pero merece la pena el acabado final.
Tened en cuenta de comprar tambien cable, tornillos, etc....
El precio final os puede rondar los 650€ o quizas más, depende de donde consigáis el material.
Se ha comentado por aquí que alguien monta el previo y lo vende a precio de oro. Me imagino que se dirá por mi pues yo estoy montando algunos ahora mismo. Solo cobro por el montaje y es un precio muy barato, no me parece bien inflar el precio y cobrar por el diseño de la máquina ya que no es mio. Hechad cuentas vosotros mismos cuando acabéis de montar la máquina y ya me diréis.
A los que se meten en el mundo del DIY por primera vez les recomendaria que antes de montar esta máquina monten algun pedal de guitarra o algo más sencillo para cojer un poco de práctica. Montar mal un previo de este tipo es una putada porqué buscar donde está el error no es nada agradable.
Es importante que os leáis TODO el hilo que hay referente al G9 en Prodigy-pro. El diseño del G9 no es perfecto y es recomendable hacer algunas modificaciones en la PCB, como cortar algunas pistas y soldar por abajo. También encontraréis cambios en la lista del material y otras cosas. Tened en cuenta que no hay ninguna quiga de montaje sobre esta máquina. Es recomendable que tengáis algun nivel de conocimientos previos, por eso lo de los pedales (u otros cientos de proyectos mas sencillos que circulan por ahí.)
Y nada creo que eso es todo. Si, si usais los OEP, es muy importante que compreis los "screening cans", si no os entrará mucho ruido. Y cuidado con los voltajes de esta máquina. Si teneis que tocar dentro que sea un buen rato despues de haberla desenchufado, los condensadores que hay ahí os pueden dar como minimo un buen susto.
Si teneis alguna duda ya sabéis.
Saludos y ánimo
Solker me hizo un par de preguntas sobre el previo por privado y las contesto aquí por si son de interés para el resto.
Sobre el tema del material, las piezas las podéis encontrar en Farnell ( o Mouser que acaba de abrir tienda en España). Ahí encontraréis casi de todo, incluso los transformadores de audio de entrada y salida OEP. Si queréis los Lundahl mirad en Canford.
Las válvulas y sockets las podéis encontrar en Tube Amp Doctor. Ojo con los sockets que compréis, tenéis que comprar los pequeños si usáis las placas que se venden en Prodigy-pro.
Y si queréis conectores ya pacheados y knobs bonitos los podéis encontrar en musikding.de o en banzaiefects. Yo con la ultima he sido cliente durante un tiempo y no la recomiendo por lo que a mi experiencia se refiere. Siempre me han tardado mucho en enviar el material e incluso a veces he comprado algunos potenciometros de un tipo y me han mandado otros de mas baratos sin que el tipo responda mis mails. Otros usuarios han tenido buenas experiencias así que la mia no es definitiva.
Las placas que venden en Prodigy-pro estan muy bien. Y, si, el tipo que las hace se saca un beneficio, aunque sea modesto.
La caja os la podeis hacer vosotros con un rack vacio o la podéis comprar hecha en diyracked. Es un poco cara pero merece la pena el acabado final.
Tened en cuenta de comprar tambien cable, tornillos, etc....
El precio final os puede rondar los 650€ o quizas más, depende de donde consigáis el material.
Se ha comentado por aquí que alguien monta el previo y lo vende a precio de oro. Me imagino que se dirá por mi pues yo estoy montando algunos ahora mismo. Solo cobro por el montaje y es un precio muy barato, no me parece bien inflar el precio y cobrar por el diseño de la máquina ya que no es mio. Hechad cuentas vosotros mismos cuando acabéis de montar la máquina y ya me diréis.
A los que se meten en el mundo del DIY por primera vez les recomendaria que antes de montar esta máquina monten algun pedal de guitarra o algo más sencillo para cojer un poco de práctica. Montar mal un previo de este tipo es una putada porqué buscar donde está el error no es nada agradable.
Es importante que os leáis TODO el hilo que hay referente al G9 en Prodigy-pro. El diseño del G9 no es perfecto y es recomendable hacer algunas modificaciones en la PCB, como cortar algunas pistas y soldar por abajo. También encontraréis cambios en la lista del material y otras cosas. Tened en cuenta que no hay ninguna quiga de montaje sobre esta máquina. Es recomendable que tengáis algun nivel de conocimientos previos, por eso lo de los pedales (u otros cientos de proyectos mas sencillos que circulan por ahí.)
Y nada creo que eso es todo. Si, si usais los OEP, es muy importante que compreis los "screening cans", si no os entrará mucho ruido. Y cuidado con los voltajes de esta máquina. Si teneis que tocar dentro que sea un buen rato despues de haberla desenchufado, los condensadores que hay ahí os pueden dar como minimo un buen susto.
Si teneis alguna duda ya sabéis.
Saludos y ánimo
▶
1 respuesta directa
Gracias Neo, estos los había visto, pero me pasa lo mismo que a ti, y no encuentro los "standard" por así decirlo, ya que si te fijas tiene una forma "rara" y no se yo como entrará. En banzai pues eso, a la inversa. Creo que me bajará a la tienda directamente, por que no me creo que en farnell no tengan, el caso es como dar con ellos. Bueno, seguiremos buscando
Papaver, tienes razón con Banzai, yo he comprado un par de veces y tardan bastante, pero como no hay prisa, pues tira que te va, desde luego no es apta para "urgencias", tengo medio pedido de material hecho desde el lunes, y hasta hoy no ha salido, y encima faltan 2 condensadores que los enviarán a parte. Lo que pasa que tienen muchas cosas digamos "especiales" de electrónica que en otros sitios no, y ya aprovecho, como la placa tardará en llegar, pues con la calma.
Buen dato lo de los "screening cans" ya que los vi mientras curioseaba en farnell, y ya tenia pensado pillarlos (los vi en la pagina de alguno de los proyectos del G9.
Aprovechando que andas por aquí, me gustaría preguntarte si ya has montado alguno con lundahl en lugar de OEP y si merece la pena (yo de momento no pienso en usar lundahl, pero contra mas info, mejor, quizás a alguno le venga bien).
Por último, he visto por prodigy pro, las mods que comentas ¿son en obligadas en todos los casos? lo digo por hacerlas del tirón.
Un saludo y gracias
Buen dato lo de los "screening cans" ya que los vi mientras curioseaba en farnell, y ya tenia pensado pillarlos (los vi en la pagina de alguno de los proyectos del G9.
Aprovechando que andas por aquí, me gustaría preguntarte si ya has montado alguno con lundahl en lugar de OEP y si merece la pena (yo de momento no pienso en usar lundahl, pero contra mas info, mejor, quizás a alguno le venga bien).
Por último, he visto por prodigy pro, las mods que comentas ¿son en obligadas en todos los casos? lo digo por hacerlas del tirón.
Un saludo y gracias
Por fín !!! está es la hembra: http://es.farnell.com/weidmuller/1716550000/plug-female-5-08mm-strt-10way/dp/1866582?in_merch=true&MER=i-9b10-00001460
▶
1 respuesta directa
No, los que he hecho han sido con OEP. No te sabria decir cual es la diferencia.
La modificación que es importante es la de cortar dos de las pistas de la PCB y soldar la entrada de DI en unos puntos concretos. Si no lo haces, es muy probable, auqnue no seguro, que tengas una oscilacion de alta frecuencia siempre presente, lo cual te arruina cualquier gravacion.
La modificación que es importante es la de cortar dos de las pistas de la PCB y soldar la entrada de DI en unos puntos concretos. Si no lo haces, es muy probable, auqnue no seguro, que tengas una oscilacion de alta frecuencia siempre presente, lo cual te arruina cualquier gravacion.
▶
1 respuesta directa
Aqui va una foto del primero que hice por dentro.
https://files.soniccdn.com/images/mercasonic/640/15360.jpg
https://files.soniccdn.com/images/mercasonic/640/15360.jpg
#129 estaria muy bien ( y nos vendria bien a los que no sabemos mucho ingles ) dejar aqui la informacion de esa modificacion , si no te importa Papaver, algun dibujito??
Muchas gracias tio por la info
#128 lo avia visto pero creia que no iban atornillados si no que irian con alguna clase de terminal
Muchas gracias tio por la info
#128 lo avia visto pero creia que no iban atornillados si no que irian con alguna clase de terminal
Papaver escribió:Vamos, ni el previo, ni nada de gyraf es perfecto, "misterisamente" todos los proyectos DIY que tienen, contienen algún pequeño error de diseño y tambien en sus PCB's. Pero bueno, hay bastante información para realizar las modificaciones pertinentes.El diseño del G9 no es perfecto y es recomendable hacer algunas modificaciones en la PCB...
No creo que se trate de nada misterioso. Simplemente es muy costoso hacer algo que esté al 100% , mucho ensayo y error y rehacer una y otra vez las PCB, y cuando es un proyecto DIY... Por eso las PCB de Drip electronics son tan caras, porque se han mirado una y otra vez hasta que son perfectas y porque cada proyecto tiene su manual de montaje. Pero eso ya es un negocio.
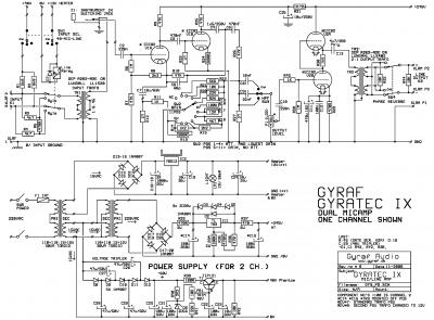
Os paso los esquemas y dibujos que tengo por aquí, el resto, si os falta algo, buscadlo en Prodigy pro. El mod no lo tengo aquí, haced una busqueda!
Os paso los esquemas y dibujos que tengo por aquí, el resto, si os falta algo, buscadlo en Prodigy pro. El mod no lo tengo aquí, haced una busqueda!
▶
1 respuesta directa
Nuevo post
Regístrate o identifícate para poder postear en este hilo
