y ahora vamos a hacer justícia al MixSaturator de PSP, el limitador que más uso desde hace algunos años, junto con el Elephant. Justícia porque, con toda la buena voluntad del mundo, cuando se probó en este hilo no se sacó su mejor lado, ya que es un plugin que hay que saber utilizar, y hacerlo requiere tiempo y manual de instrucciones...en ese caso se hicieron algunas pruebas con valores de saturación al máximo, la cuál cosa no hay que hacer nunca con este plugin, pues la onda generada fue de escándalo...
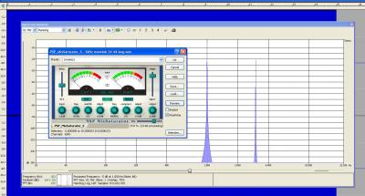
Voy a poner los dos modos que utilizo, el TAPE2 y el TAPE3, con los valores que normalmente uso en mis mezclas. El TAPE2 emula la curva de compresión de las cintas analógicas, generando armónicos impares, esto lo dice en el manual. La TAPE3, es lo mismo pero sin los armónicos. Este último es lo más nítido que he escuchado en limitadores.
Empiezo por el modo Tape2. A nivel tímbrico, parece bastante bien si tenemos en cuenta lo dicho anteriormente para el suelo de 150 db. No sé si se deben considerar malos los interarmónicos que hay cerca de cada armónico principal, pues son de alrededor de -100 db...
a nivel dinámico, no se observa curva alguna de release o attack, pero fijaros en la extraña tijera de las primeras ondas. Parece que se duplica la frecuencia o algo parecido, aunque en el gráfico tímbrico no aparece el segundo armónico por algún lado. Estaría bien que alguien pudiera interpretar mejor qué significa ésto.
Voy a poner los dos modos que utilizo, el TAPE2 y el TAPE3, con los valores que normalmente uso en mis mezclas. El TAPE2 emula la curva de compresión de las cintas analógicas, generando armónicos impares, esto lo dice en el manual. La TAPE3, es lo mismo pero sin los armónicos. Este último es lo más nítido que he escuchado en limitadores.
Empiezo por el modo Tape2. A nivel tímbrico, parece bastante bien si tenemos en cuenta lo dicho anteriormente para el suelo de 150 db. No sé si se deben considerar malos los interarmónicos que hay cerca de cada armónico principal, pues son de alrededor de -100 db...
a nivel dinámico, no se observa curva alguna de release o attack, pero fijaros en la extraña tijera de las primeras ondas. Parece que se duplica la frecuencia o algo parecido, aunque en el gráfico tímbrico no aparece el segundo armónico por algún lado. Estaría bien que alguien pudiera interpretar mejor qué significa ésto.
Responder
Citar


tampoco entiendo que significa.