Comparativa limitadores

ML0
por el 05/01/2012
Mirar este compresor, aún lo utilizo para comprimir el bajo. Creo que es de los buenos.
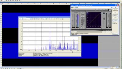
La gráfica está a 2ms reales de ataque. Fijaros que la interficie del plugin marca 0.1 ms :yuju:
La liberación real es de 60ms, aunque el plugin indica 5ms.

Lo veo limpio y no colorea.
Archivos adjuntos ( para descargar)
db Dynamics.jpg
1 respuesta directa
OFERTAS EN TIENDAS Ver todas
  • -32%
    Behringer X-Touch Compact
    219 €
    Ver oferta
  • -14%
    SPL Goldmike MK2 B-Stock
    845 €
    Ver oferta
  • -17%
    Erica Synths Black DJ VCF
    148 €
    Ver oferta
SEGUNDA MANO EN MERCASONIC Ver todo
  • Radio Shack Reverb Control, Realistic, el auténtico, distorsión fuzz, eco, reverb, analógico BBD
    90 €
    Ver
  • PreSonus Studio 68c - Interfaz de Audio USB-C
    145 €
    Ver
  • LD Systems MEI 100 G2 Sistema Monitoreo In-Ear
    200 €
    Ver
¿Tienes equipo que ya no usas? Véndelo en Mercasonic
Gracias a todos
por el 05/01/2012
euridia escribió:
Asi que pensé, propuse, ese tiempo para poder analizar un mayor numero de limitadores. No sé si fue la eleccion mas acertada


Eso lo pensé; pero dije, bueno, Ibon sabe; que conste que lo pensé: la solución más ecuánimey es un tiempo razonable; pero ...
Real_Kcan
por el 05/01/2012
#1200 en el video/entrevista que hay aqui en hispa de euridia, mostro como clippaba los conversores del cranesong, a mi fue algo que me encanto.

se puede hacer algo parecido en vst? :loco:
1 respuesta directa
Gracias a todos
por el 05/01/2012
#1201

Coñe, ¿y eso?, limpio se ve.
Gracias a todos
por el 05/01/2012
#1198

Segun tenía entendido , usabas y bastante el brickwall de TC...
En cuanto al hierro, ¿has probado el Pendullum?
Gracias a todos
por el 05/01/2012
#1203

A mí no me encantó, es un pirotécnico asilvestrado, ¿le habéis escuchado cantar?
Real_Kcan
por el 05/01/2012
#1206 :desdentado:
ML0
por el 05/01/2012
"Carmelopec" escribió:
#1201

Coñe, ¿y eso?, limpio se ve.


pues ya ves...un vejestorio de 10 años.
Ahora lo estaba apretando y hasta limitando siempre da la misma nitidez. Lástima del release. No hay manera de bajarlo de 60 ms reales.
1 respuesta directa
ML0
por el 05/01/2012
para valorarlo con perspectiva, mirar el C1 de WAVES en las mismas condiciones REALES.
Archivos adjuntos ( para descargar)
waves c1.jpg
ML0
por el 05/01/2012
y aún hay más, si lo comparamos con el WAVES RCOMP (como sabéis está en el top del hilo)....pues yo interpreto que és más limpio el dB que éste, pues los interarmónicos están a un nivel mucho más bajo.
Por supuesto que el gráfico está en las mismas condiciones REALES (2ms / 60 ms @ -6db.
Lo bueno que tiene el Rcomp es que puede llegar a ataque casi cero y a un release mínmo de 20ms.
Archivos adjuntos ( para descargar)
WAVES RCOMP.jpg
Gracias a todos
por el 05/01/2012
#1208

No si lo habré tenido en mi colección, aquí más vejestorio que yo no hay; me extrañaba esas diferencias entre los tiempos de relajación expresados y los reales.
ML0
por el 05/01/2012
es lo que da, tarda algo más de 60 ms en recuperarse totalmente, aunque el 70% se recupera en menos de la mitad de tiempo.
No me extraña que me gustase para el bajo, ahora lo entiendo, los primeros armónicos (que no produce) me hubieran enfangado la mezcla, y con esa liberación real nunca suena distorsionado. Pero para voces y otros menesteres no me va, es demasiado soso y seco, necesito algo que le dé vida a la pista. Y aún prefiero mala vida que lo otro, almenos es vida.

Estos plugins antigos suenan muy bien y totalmente transparentes para ganancias digamos...pre-loudness war. Por tanto se deberían abstener los amantes del fuerzaRMSeo (o fuerzaReMeroS) o de la música con chumba-chumba. Esto último también vale por el PSP.

(EDITADO)
Gracias a todos
por el 05/01/2012
Interesante
Euridia mod
por el 05/01/2012
#1200


Bueeenas!!!


No me gusta limitar con los convertidores.... son muy agresivos..... pero tampoco me parece una barbaridad... lo haré cuando sea mayor!!!


Buah!!!


¿¿Una descripción detallada de todos??

Ufff....


Bueno, para elegir uno u otro miro estos parámetros:


1) Nivel de ruido de fondo. Mi cadena es muy larga y alguna vez esto ha sido un problema....

2) Sonido del cacharro durante el tiempo que no actua.

3) Sonido del cacharro actuando.

4) Velocidad de actuación.

5) Ratio de actuación.

6) Facilidad de manejo/calibrado.

7) Tiene threshold variable?

8. Exactitud en la medición.

9) Tiempo de relajación del medidor.

Al menos se me ocurren esos parámetros....


Ahora estoy muy contento con los transpressors en microdinámica. uso el limitador fet del slam! como brickwall de ratio soft y el limitador del dbx 162sl como ratio hard, pero me he pensado varias veces retirar uno de los dos de la cadena.... no sé que haré.

El Zener, como es tan flexible, ahora lo uso de macrodinámica, pero puede funcionar como limitador, no brickwall. Le acabo de hacer dos rectificaciones, una en la psu y otra cambiar los trafos de salida por unos carnhill. El RED 3, tampoco brickwall, no me gusta dinámicamente, o al menos no se acopla bien a mi cadena de mastering, y lo uso para grabar (hoy ha estado en unos violines),lo cual hace muy bien, el C2s es genial, casi brickwall, pero es muy impreciso de ajustar y no tiene threshold, ya no lo uso, y le voy a hacer una rectificación en breve para reducir ruido. El kultube, pseudo brickwall, también lo retiré de la cadena... no me acuerdo muy bien por que.... ah, si, no me gusta su sonido al actuar tan rápido y es stereo, no dual mono. Pero bueno, tampoco está mal en microdinámica para mastering. sobre todo es un bicho supercreativo, es una pasada lo que le puede hacer a una batería. Incluso más que el transpressor.

A modo de respuesta rápida, ¿Vale? es que podríamos abrir un nuevo hilo.....


Un saludo!!!!
HDerick
por el 05/01/2012
#1214

si que me vale si gracias! tenia esa duda de los conversores vs limitador analogico, muy interesante tu respuesta sobre como eliges los cacharros, me ha servido realmente.
Nuevo post

Regístrate o para poder postear en este hilo

Música
Temas