Recrear sintes clásicos

Soundprogramer mod
por el 10/11/2011
#388 Pues sin extenderte demasiado creo que has resumido en pocas líneas perféctamente el Solina. Muy aclaratoria la función de parafonía.
Fíjate que no sabía que ARP llegó a acuerdos con Eminet para comercializar el Solina con su tecnología.
Esta ya me va gustando mas. ;)
1 respuesta directa
OFERTAS EN TIENDAS Ver todas
  • -13%
    Kawai ES-60
    339 €
    Ver oferta
  • -31%
    Behringer X-Touch Compact
    222 €
    Ver oferta
  • Focusrite Scarlett 2i2 3rd Gen
    118 €
    Ver oferta
SEGUNDA MANO EN MERCASONIC Ver todo
  • Roland AIRA Torcido – Distorsión Modular (Efecto Eurorack/Desktop)
    275 €
    Ver
  • Electro-Voice DX46 FIR-Drive Sound System Processor
    650 €
    Ver
  • Reproductor doble CD/MP3/USB, Stage Line CD-120
    210 €
    Ver
¿Tienes equipo que ya no usas? Véndelo en Mercasonic
ArquitectoAcero
por el 10/11/2011
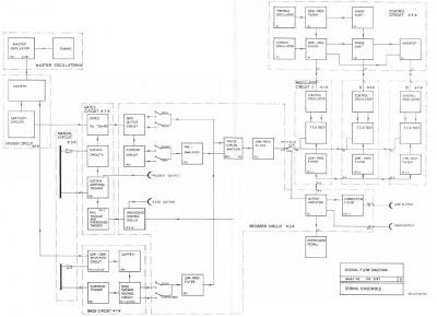
Os pongo el links con el manual de servicio del Solina, está bastante interesante, sobre todo la parte del diagrama de bloques interno.

http://oldschoolsound6.free.fr/manuels/information_service_solina.pdf

Saludos,
ArquitectoAcero
por el 10/11/2011
Diagrama de flujo de la señal,

(pinchando sobre ella se ve completamente),

Saludos,
Archivos adjuntos ( para descargar)
Solina_Flow_Signal.jpg
1 respuesta directa
ELKE_FALTABA
por el 10/11/2011
Por aquí de nuevo.
Estoy un poco liado y no he trabajado casi en sonidos del Prophet.
Adjunto unos archivos con sonidos originales de una solina para reconocer sus diferencias. Primero van limpios y después con modulación. El cambio es muy acusado. El sonido violin es el viola una octava más alto. Como curiosidad, al hacer zoom en cool edit para cortar las distintas muestras y separarlas la onda que se ve en los sonidos limpios es una sierra casi perfecta.
Archivos adjuntos ( para descargar)
🎵 violin.mp3
🎵 viola.mp3
🎵 trumpet.mp3
🎵 horn.mp3
🎵 cello.mp3
🎵 bass.mp3
1 respuesta directa
ELKE_FALTABA
por el 10/11/2011
Una captura del cool edit donde se puede ver la forma de diente de sierra.
Archivos adjuntos ( para descargar)
Sin título-1.jpg
ArquitectoAcero
por el 10/11/2011
#395 . Los sonidos que has posteado, ¿de donde provienen? ¿de alguna emulación soft o de muestras del instrumento real?. Es que me parece raro que las formas de ondas sean tan perfectas, no creo que sea lo normal en circuiteria analógica... :-k

Saludos,
1 respuesta directa
astropop
por el 11/11/2011
#391

Bueno, eso entendí yo buscando info por ahí, igual compraron el modelo para comercializarlo, se ve que economicamente a Eminent/Solina no les iba muy bien. ARP para empezar parece que solo quitó el logo de Solina y puso el suyo :desdentado: ... más tarde añadieron esos conectores para disparar envolventes y demás en algunos de sus sintes como el Axxe, por ejemplo. Porotro lado ARP también fabricó un sinte de strings con un sonido muy similar, mayor tipo de controles y tal.

Como anécdota, se atribuia el efecto de chorus a un conocido ingeniero de ARP (el que salia en encuentros en la tercera fase comunicándose con los extraterrestres usando, creo, un 2500). Pero resulta que la patente era realmente Holandesa :---)

Saludos.
astropop
por el 11/11/2011
#393

Gracias! tengo otro manual técnico yo, bastante cutre, este que linkas es muy completo y el diagrama aclara algunas cosas.

#394

Gracias por las muestras de presets, que variedad de sonidos que tenia el Solina :oops:
astropop
por el 11/11/2011
Un ejemplo de recreación de String Machine típica, según mi experiencia y programado en un M3. Vamos paso a paso:

- Osciladores: Lo normal diria que seria usar uno, pero vamos a recrear también un "sucedáneo" de efecto Chorus usando síntesis con LFOs y demás.
Así que como mínimo 2 osciladores, usaremos el archiconocido truco de desafinar uno de ellos, es algo básico.
Otra posibilidad seria la de que un oscilador tenga un pequeño delay de entre 10, 15 o 20 milisegundos, sobre esos valores ya está bien aunque creo que va mejor la desafinación.

- Amplificador: con envolvente muy básica, de tipo AR, normalmente con ataque y release medio/rápido y si puede ser con un poco de curvatura. A veces viene bien un efecto de tremolo suave que siga al efecto de vibrato. Eso lo haré más adelante cuando metamos mano al vibrato.

http://astropop.noads.biz/sm_1_step1.mp3 Aburrido sonido base con dos osciladores (saw) más los ajustes de envolventes expuestos. Ambos en la misma octava y con desafinación, el primero a 00.3Hz y el segundo a 00.4Hz. Este tipo de desafinación se aplica a las notas de un mismo oscilador y no al conjunto. Esto unido a que ambos osciladores tienen ajustes diferentes enriquece el sonido más que la desafinación por centésimas.

- Filtros: Un HPF es buena opción pues entrega un sonido más áspero y diria que hay cierta aspereza en algunos de esos clásicos sonidos. Otras veces un LPF según la forma de onda y otras combinando ambos en paralelo. No se suelen usar envolventes ni LFOs para modular los filtros, normalmente se hacen ajustes "suaves" de la frecuencia de corte y la resonancia para obtener un timbre más brillante o apagado.

http://astropop.noads.biz/sm_1_step2.mp3 Vamos modelando el sonido base, aquí se usan un LPF12db y un HPF12db en paralelo, el primero con corte al 54% y resonancia al 38%. El segundo totalmente abierto y su nivel de salida tan solo al 25%. Este HPF se usa para darle un pequeño matiz brillante y áspero, solo deja pasar los armónicos más altos. Por su lado, LPF proporciona el cuerpo.

Estos dos tipos de filtro en paralelo proporcionan un filtro de tipo "Band Reject" o eliminación de banda. Hay filtros que ya disponen de este tipo pero de forma predeterminada. Para un mayor control sobre la banda a eliminar es preferible usar LPF y HPF por separado y conectados en paralelo.

- Efecto de chorus: El efecto es sagrado y no muchos sintes incluyen este tipo de chorus "triple" o similar. No obstante podemos echar mano de los LFOs del sinte convenientemente ajustados y "conectados" entre si para intentar recrear ese efecto o al menos para animar nuestro sonido.

Lo ideal en mi opinión, es hacer uso como mínimo de Key Sync, esto es que cada voz dispare su LFO para vibrato. Cuando suenan diferentes notas, es más que probable, en función de cuando y como se hayan tocado, que cada voz tenga su LFO en una punto de su fase diferente a las del resto, esto obviamente enriquece el sonido. Si no se usa sincronización de tecla ocurre que suele ser la primera nota tocada la que dispara el LFO, todas las siguientes irian "parejas" a esta, como si solo hubiese un LFO para todas las voces.

Otro punto interesante seria que los vibratos de los dos osciladores operasen a velocidades diferentes, uno un poquito más rápido que el otro, un punto o dos creo que ya está bien, así como que su intensidad sea positiva para un oscilador y negativa para el otro. Esto suele ser posible en romplers, con LFOs propios por oscilador.

Otra cuestión algo más "exótica" seria la de la del inicio de fase del vibrato. El hecho de que se pueda regular no nos aporta mucho para nuestro cometido, creo yo pero si el sinte nos posibilita una opción aleatoria pues mejor. Esto es que cada vez que se pulse una nota, el LFO se inicie en un punto diferente de su ciclo.

- "Autopanning": Al usar dos osciladores, en sintes que lo permitan, podemos panoramizar los osciladores en lados opuestos, es decir, uno hacia la izquierda y el otro hacia la derecha pero no mucho. Debe notarse la amplitud pero es interesante que toda la fuerza del sonido se concentre en un campo sonoro relativamente pequeño.

Si panorizamos un oscilador totalmente hacia la izquierda y el otro totalmente hacia la derecha, perderemos parte de la intensidad de la desafinación entre osciladores, tendremos la tendencia de oir cada oscilador "por separado" y no el conjunto.

Otro punto importante sobre la panoramización es que no sea estática, se puede modular ligeramente mediante un LFO lento con una sine, un oscilador de forma positiva y el otro de forma negativa, es decir, mientras un oscilador se desplaza hacia la izquierda el otro lo hace hacia la derecha y viceversa.

http://astropop.noads.biz/sm_1_step3.mp3 Nuestra String Machine con bastantes colorantes, el efecto vibrato expuesto antes, más un suave tremolo, un efecto "autopanning", algo de drive para distorsionar, un delay en estereo y algo de EQ. Ahora ya tiene bastante tufillo "cheap" y vintage, es principalmente el vibrato el que cambia notablemente el sonido.

En otro momento veremos como complicar el tema del vibrato, modulando su intensidad mediante otro LFO y otros experimentos.

Saludos.
2 respuestas directas
Soundprogramer mod
por el 11/11/2011
#399 Astropop muy detallada como siempre tu explicación. Creo que es un punto de partida bastante razonable para indagar en otras maquinas pero pasa que lo que funciona bién en unas no lo hace bién en otras.

Por mi expereciencia en programación y para este tipo de sonidos básicamente nos tenemos que centrar en el LFO sobre los osciladores porque como tu bién comentas apenas hay nigún tipo modulaciones sobre el filtro. Con aplicar un ajuste de Cutoff medio alto suele ser suficente. Cada maquina es un mundo y en niguno de los sinte que tengo los ajutes para conseguir estos sonidos son valederos pero un truco común sobre el LFO si suele funcionar bién.

Yo suelo usar un par de osciladores con diferentes ajustes de velocidad de LFO en ellos, voy probando las velocidades hasta dar con la adecuada o la que funciona mejor.
Commo norma no me suelen funcionar bién las desafinaciones en los osciladores, de hecho el ejemplo que posteo no lo tiene. Pero el LFO es vital.

Para no repertir tu parte y ampliar información sobre el solina voy subir aquí algunos enlaces y la patente del circuito de Chorus. Una rareza que estoy seguro os va a gustar. Tardé en encotrarla pero os la descargais si podeis para ver como está estructurado.

En principio es mas o menos esto:
Usa 3 lineas separadas de delay con 2 LFO indivuduales. El tiempo de delay de cada línea es casi idéntico pero el LFO tiene diferentes velocidades para modular las lineas de delay. La salida de las 3 líneas es añadida posteriormente a una única salida.

Con un "Quadrature Chorus" podemos imitarlo.

Algunos enlaces mas con muestas e info sobre el solina: http://www.dse.nl/~rbos/solina/index.html


Otro artículo de Sound on sound que trata sobre la imitación de solinas en sintes VA: http://www.soundonsound.com/sos/mar06/articles/qa0306_3.htm


Un video en el que se ve en acción el solina y su característico sonido e imitaciones de Jean Michele Jarre:



Y finalmente la patente del circuito del Chorus del solina diseñado por Eminent:
Archivos adjuntos ( para descargar)
📄 pat3833752.pdf
Inicia sesión para ver este archivo
1 respuesta directa
Soundprogramer mod
por el 11/11/2011
Finalmente mi ejemplo de emulación Solina. Realizado en un JV-2080 de Roland y usando unos inhabituales 3 osciladores por voz. En este sinte es que funciona mejor así, agregando lineas de LFO sobre osciladores diferentes y cada LFO con unos ajustes individualizados, para intentar imitar el carácter del Chorus solina.

Como podreis comprobar cada linea que he programado en estos LFO es diferente, con diferentes velocidades y con otra particularidad, que es añadir otra forma de onda Sierra al LFO entre las 2 formas de ondas Sine que ya había con diferentes velocidades y ajustes de modulación + y - de fase entre ellas. Este carácterística modula el sonido de una manera mas impredecible, y por eso suena así.

Pues coloco los ajustes que hice al sinte para el sonido Solina:


JV-2080 Solina Emulation


Sección de Osciladores
1 osc Saw 1 Det 0 Octave 0
2 osc Saw 3 Det 0 Octave 0
3 osc Saw 2 Det 0 Octave 0

Sección de Filtro
1 Tipo Lowpass - Cutoff 127 de 127 -Keyboard Tracking +50 ENV Modulation No
2 Tipo Lowpass - Cutoff 097 de 127 -Keyboard Tracking +50 ENV Modulation No
3 Tipo Lowpass - Cutoff 097 de 127 -Keyboard Tracking +50 ENV Modulation No


Sección Amplificador & Mixer

1 Level 100 de 127 Envolvente Time 1 60 Level 117 Time 2 60 Level 127 Time 3 0 Level 127 Time 4 (Releasse) 77
2 Level 100 de 127 " " " " " " " "
3 Level 127 de 127 " " " " " " " "


Sección LFO

Osc 1 Pitch Mod +6 LFO1 Rate 100 de 127 Waveform Sine LFO SYNC ON
OSC 2 Pitch Mod -6 LFO1 Rate 100 de 127 waveform Triangle LFO SYNC ON
OSc 3 Pitch Mod 0 LFO1 Rate 94 de 127 Waveform Sine LFO SYNC ON

EFX Chorus Reverb NO

Ajustes del Chorus Predelay 10 Rate 6 Depht 77 Feedback 0 Level 114
Archivos adjuntos ( para descargar)
🎵 Solina_JV.mp3
ELKE_FALTABA
por el 11/11/2011
#396
Los he sacado de una emulación software que encontré por la red. El plug-in se llama eSLine de un tal elektrostudio. De ahí pillé también una emulación de la minipops-7 y otra de la Eko computerythm. Eran libres.

#399
#401
Buenas muestras aunque las noto como un poco flojas en comparación con el sonido que se escucha en el video. A mi me parece que el sonido solina es más directo, como que te da en toda la cara. Las pruebas que hice cuando construí el sonido eminent siempre me salían igual que a vosotros salvo en el 01W. Como dice Sound depende del sinte.
Sergio te copio tus ajustes para intentarlo en el JD.
Archivos adjuntos ( para descargar)
Sin título-1.jpg
astropop
por el 12/11/2011
Estos truquillos pueden ser un tanto complicados de entender, a ver si logro explicarlo bien. Como sabemos todo sinte tiene unas particularidades así que si bien estos truquillos no os resultan pues que al menos sirvan de ideas, yo estoy aprendiendo un montón con este hilo.

- Modulación de la intensidad del efecto chorus/vibrato:

Hasta ahora solo tenemos un vibrato pero lo vamos a animar un poco más, el sonido en si ya es bastante rico pero podemos probar que sea aún más impredecible.

La idea es que un LFO se use para vibrato y otro controle la intensidad o "desplazamiento" del anterior.

Conexión 1: LFO1 -> Pitch (Vibrato)
Conexión 2: LFO2 -> LFO1 (Intensidad de Vibrato)

La primera conexión es básica, cualquier sinte debe o deberia llevarla, es la que hemos usado hasta ahora. La segunda ya es algo más difícil de encontrar. Hay sintes cuyas matrices de modulación lo permiten de forma directa sin problemas. Otros al igual pero paralelamente también lo permiten hacer de otras formas.

Me centro en matrices de modulación con funciones matemáticas, es lo que me permite hacer el M3. Otros sintes llevan también este tipo de funciones como los Waldorf (Modifiers) o los Kurzweil (FUNS).

Dos funciones básicas que permiten este tipo de "vibrato/modulación de intensidad de vibrato" serian las de tipo A+B y AxB, ambas funcionan bien. La primera suma dos fuentes de modulación y la segunda opera de forma que un modulador controla la intensidad del otro.

Veamos en el gráfico como operan:

[ Imagen externa no disponible ]
En ambos casos el modulador B es una envolvente pero imaginad que es otro LFO. En el caso A+B veriamos que el efecto vibrato (LFO1) iria oscilando cíclicamente alrededor del eje del LFO2, "un vibrato dentro de otro". En el caso AxB veriamos que la intensidad del efecto va aumentando y disminuyendo de forma continua.

Conexión: LFO1 +/x LFO2 -> Pitch (vibrato/intensidad de vibrato)

- Modulación tradicional/alternativa:

Una alternativa para matrices de modulación más tradicionales seria usar dos LFOs para el efecto de vibrato, uno para un efecto normal y otro para un efecto más lento, por ejemplo. Si no me equivoco esto equivaldria a una modulación de tipo A+B.

Lo que hemos expuesto tanto Soundprogrammer como yo sobre el tema de las diferentes velocidades velocidades, polaridades y demás, nunca está de más probar todo lo que sea posible con LFOs.

- "Mega Vibrato": :oops:


Hace unos dias el compañero Sarolen ponia este link sobre Ken Freeman http://www.soundonsound.com/sos/feb07/articles/freemanstring.htm

Este señor fué el "creador" de la "String Synthesis", muy ligada al tema de la combinación entre delays y diferentes vibratos, siempre vamos a lo mismo.

Diseñó algunos teclados interesantes para el tema que nos ocupa. Hay uno en concreto en que se disponia de hasta 12 vibratos con ajustes de frecuencia e intensidad independientes, uno por cada nota que disponia el teclado.

¿Como recreamos esto?.

Hemos visto que si usamos LFOs con sincronización (Key Sync) cada nota tendrá su vibrato propio pero tanto su frecuencia como su intensidad es la misma para todas las notas.

Si el sinte nos permite dar aleatoriedad a esos parámetros, mejor, con cada nota tendremos un vibrato con frecuencia e intensidad propios. No recuerdo haber visto ningún sinte que sea capaz de esto pero no es nada raro un sinte que si que permita modular la frecuencia de un LFO usando otro y aquí ya tenemos una posibilidad.

LFO1 para vibrato y LFO2 para modular ligeramente la frecuencia del anterior, ambos con Key Sync. LFO2 usará una onda de tipo random (por rampas) y oscilará a baja/media frecuencia. Cada vez que se pulse una nota, el vibrato para esa nota en concreto tendrá una frecuencia ligeramente diferente.

Si tenemos otro LFO disponible, esto ya es algo más difícil, pues podemos modular de forma "polifónica" también la intensidad si se nos permite.

Saludos.
astropop
por el 12/11/2011
#400

Ok, perfecto gracias por la info. Esto de las String Machines es todo un mundillo.

Coincido contigo plenamente en que estos sonidos, por poner un porcentaje, son en un 80% efecto vibrato/chorus.

Buen sonido y buena la idea de los tres osciladores, yo diria que si bien no es habitual quizá sea la más adecuada, tal vez 4 son demasiados. Frente a los 2 con 3 tienes más posibilidades de obtener un vibrato más complejo, más margen si quieres "jugar" con la panoramización, no sé, lo veo bien. También veo en la descripción que usas tracking, otra buena idea que deberia entrar en el "manual de programación de strings".

Saludos.
astropop
por el 14/11/2011
Subo dos ejemplos más. El primero hace uso de la modulación de tipo A+B pero intentando recrear punto por punto como operan los LFOs del triple Chorus. El segundo es el ejemplo "Mega Vibrato" del que hablaba en otro post, es decir, cada nota con vibrato y frecuencia independientes.

Queria comentar antes que el hispasonico Synthoma (Sergio Koval http://www.synthoma.net) fabrica actualmente una unidad de chorus de este tipo utilizando algunos de los componentes originales llamada "elkorus". En el manual hay gráficos y teoria bastante entendible que junto con todo lo que sabemos ya pues nos puede venir muy bien. Adjunto el gráfico.

En el lado izquierdo vemos como se usa un LFO para modular el otro, seria la modulación de tipo A+B, "vibrato dentro de vibrato", según el manual lo usual es que un LFO oscile entre 5 y 10 más rápido que el otro. En el lado derecho veremos las tres lineas desfadas.

Vamos con los ejemplos programados en el M3.

Sin entrar en muchos detalles, en ambos ejemplos se usa onda de tipo "Parabolic" que tiene un timbre más delicado que una saw, nunca está de más probar otras ondas diferentes a la saw, habia string machines que no usaban dicha forma de onda. Adjunto una captura de la forma de onda parabolic.

En ambos casos uso filtros HPF12db y LPF12db en paralelo siendo el primero el principal y el segundo con un nivel más bajo que proporciona algo de grueso, lo contrario que con el otro ejemplo en el que usaba saw. El amplificador con envolvente típica AR que voy alterando con sliders. También hay algo de drive y low boost que ensucia un poco el sonido. Se adereza finalmente con un poco de EQ y un tape delay. Es un timbre más delicado gracias a esa forma de onda.

- Ejemplo A+B: Hemos visto como programar los LFOs de cada oscilador con ajustes independientes y aleatorios para obtener un vibrato impredecible y muy rico ¿pero y si los programamos tal cual operan los LFOs del triple chorus?, puede parecer que el sonido será más pobre.... pero....

"Triple Chorus" implica la suma de dos LFOs (A+B), que solo hay dos de ellos y que por lo tanto no haremos uso de Key Sync (solo un vibrato para todas las notas). Operan en fases diferentes estando el primero a 0 grados y el segundo a 120, 180 o 300 grados.

Para probar he programado un sonido de dos osciladores sin desafinación entre ellos (si a nivel individual), modulación de pitch A+B (un lfo rápido y otro lento que modula el anterior) con ajustes idénticos en ambos osciladores. Todos con los lfos con key sync=off, estando los del primer oscilador a 0 grados y los del segundo a 120.

El resultado en mi opinión es que pierde parte de ese carácter de "fake chorus" para parecerse más a un chorus real. En el ejemplo primero suena sin efecto y luego se activa, es notable la diferencia.

- Ejemplo "Mega Vibrato": Se trata de modular la frecuencia del LFO de vibrato mediante otro LFO. Con ambos en modo de sincronización de tecla (Key Sync) cada nota tendrá su vibrato con frecuencia aleatoria independiente, enriquece y mucho el sonido. Este ejemplo solo usa un oscilador.

Saludos.
Archivos adjuntos ( para descargar)
sm_a+btriplechorus.jpg
sm_parabolic.jpg
🎵 sm_a+b.mp3
🎵 sm_megavibrato.mp3
1 respuesta directa
Nuevo post

Regístrate o para poder postear en este hilo

Música
Temas