Recrear sintes clásicos

Soundprogramer mod
por el 09/02/2012
#779 En este post concreto los fundamentos de la síntesis se dan por "asumidos".
Para empezar desde cero existen otros hilos que hablan sobre los mismos.
Esto es así porque el usario ya con esas bases si puede empezar a entender en estas páginas los usos reales de los mismos y como se aplican en la práctica, que en este caso es simulando sintetizadores clásicos.

¡Saludos!
OFERTAS EN TIENDAS Ver todas
  • -13%
    Kawai ES-60
    339 €
    Ver oferta
  • -31%
    Behringer X-Touch Compact
    222 €
    Ver oferta
  • Focusrite Scarlett 2i2 3rd Gen
    118 €
    Ver oferta
SEGUNDA MANO EN MERCASONIC Ver todo
  • Roland AIRA Torcido – Distorsión Modular (Efecto Eurorack/Desktop)
    275 €
    Ver
  • Electro-Voice DX46 FIR-Drive Sound System Processor
    650 €
    Ver
  • Reproductor doble CD/MP3/USB, Stage Line CD-120
    210 €
    Ver
¿Tienes equipo que ya no usas? Véndelo en Mercasonic
ArquitectoAcero
por el 09/02/2012
_Leo_ Como ya te han comentado, en este post ya se presupone una serie de conocimientos basicos sobre sintesis. No obstante síguelo y veras como aprenderas muchas cosas. Pero eso si, te aconsejaria que primero adquirieras un minimo de nivel para poder enterarte de lo que aqui se hace.

Mirate este post donde se explican cosas muy basicas pero utiles,
https://www.hispasonic.com/tutoriales/introduccion-sintesis-substractiva/73

Y este otro tambien promete,
https://www.hispasonic.com/noticias/moog-anuncia-serie-tutoriales-sobre-fundamentos-sintesis/31541

Saludos y suerte, ;)
Nox
por el 09/02/2012
Me gusta la idea de los chipsounds, por sí solo no me es queme vuelva loco pero mola mucho para meterlo aquí y allí... aún pecando de egoísta kpullo :juas: ... empezad cuando queráis que me uno :mrgreen: , dentro de lo que me deje el curro que últimamente está insoportable :evil:

Saludos.

PD: ¡Qué buenas esas minipops! La verdad, más de una me ha dejado flipao :shock:
tiresias
por el 09/02/2012
Los chips del Commodore 64 son analógicos? Vaya, yo lo que estoy aprendiendo a programar son los trackers de Atari ST (en concreto, el maxymiser (http://www.preromanbritain.com/maxymiser/). Lleva un chip Yamaha YM2149, con tres voces (onda cuadrada) más un generador de ruido. En la propia página que os pasé hay bastante información, tutoriales e incluso un concurso de composición con trackers...

Salud!
tiresias
por el 09/02/2012
Más tracker para Atari ST... ttp://sndh.atari.org/tools.php
astropop
por el 10/02/2012
ok, pues este finde abrimos la veda.

Trataremos esos dos chips por ser los más conocidos. Por ejemplo, Yamaha YM2149 del que habla Tiresias (gracias por los links) es originálmente el AY-3-8910, el clásico de los Amstrad, MSX, Spectrum y tal.

Hablaremos de como obtener el dichoso ruido que generaban, que no es ruido blanco al uso, como hacer los clásicos arpegios/acordes, truquitos para la modulación de ancho de pulso tan característica del SID de Commodore etc... etc... promete ser divertida y nostálgica la nueva aventura de este gran hilo :D

https://files.soniccdn.com/imagecache/9e8/278b08fb01a4ed48495fc8fee0236-3178710.jpg

Saludos.
Soundprogramer mod
por el 10/02/2012
Yo aún tengo por aquí guardado un Amstrad CPC 6128 con su monitor original. El manual con las descripciones de programación y características del chip de sonido creo que lo tengo pero no se ahora donde. Creo que lleva guardado casi 15 años sin usarse.
El chip corresponde al AY-3-8910 como describe Astropop. Todo un clásico de música chip seguido del SID de Commodore. A quién le guste los juegos arcade clásicos es todo un referente.

Si creeis que podemos seguir con las percusiones es el momento de decirlo porque el temario de los sonidos Chips se las trae..

a3284b52354b551ba9f7a24443edd-3178806.jpg

¡Saludos!
1 respuesta directa
ELKE_FALTABA
por el 10/02/2012
Por mi no hay inconveniente. Al igual que con las recreaciones anteriores, no debería cerrarse el tema completamente y dejarlo abierto para quien quiera postear sus sonidos.

Hablando ya del tema chips, yo tengo un Amstrad CPC464 guardado hace la tira y me acuerdo perfectamente de los sonidos con onda cuadrada y el ruido. ¡qué recuerdos!
astropop
por el 11/02/2012
#787

El 6128 fué mi primer ordenador :bua: Con el monitor de color y convertidor a TV. Me harté de programar rutinas en basic, sobre todo audio pero nunca entendí lo de la mezcla de canales :oops: Incluso llegué montar un sinte de voz que ví en una revista, samplear a través de una pletina.... El pobre 6128 petó por algún lado y pasé a los Atari y más tarde Amiga con su chip Paula, que era otro rollo.

Desempolva tu 6128 :-D

#788

Es que habia algunos juegos con unas bandas sonoras que eran increibles, que forma de aprovechar los recursos =D>

Si no hay impedimento mañana abro el tema de los chipsounds.


Saludos.
astropop
por el 12/02/2012
"Chipsounds", introducción:

Hay poco que explicar en este apartado, si has jugado a uno de esos clásicos juegos ochenteros o de principo de los 90 en un viejo ordenador de 8bits seguro que recuerdas esos maravillosos soniditos. Arpegios, efectos laser, explosiones... incluso samples... todo con un sonido característico, muchas veces poco realista pero con un encanto inigualable. Hoy en dia hay auténticas colecciones de música (Chiptunes) de 8 bits, composiciones originales, covers de clásicos, software de emulación etc... Hablemos de "Chipsounds"

Como siempre, se agradeceria cualquier correción o que se añada información más o menos importante, sobre todo al respecto de la generación de ruido de estos chips.

A groso modo podriamos hablar de dos familias de chips:

- General Instrument AY-3-8910 y derivados: Amstrad CPC, MSX, Spectrum 128, Atari ST y otros. También usado por Yamaha bajo la denominación "YM2149".

Canales (voces): 3
Formas de onda: Square y noise (generador pseudo-aleatorio)
Otros: Envolventes

- MOS Technology 6510/8500 conocido popularmente como "SID": Commodore C64. Posiblemente el mejor chip de la época, diseñado por uno de los ingenieros que más tarde formaria Ensoniq y "resucitado" años más tarde por los chicos de Elektron para su SIDStation.

Canales (voces): 3
Formas de onda: Saw, Triangle, Square (con modulación de ancho de pulso o PWM) y ruido (generador pseudo-aleatorio).
Filtro: analógico, resonante con caida de 12db. Tipo pasabajos, pasaaltos, pasabanda y de eliminación de banda.
Otros: Envolventes con curva exponencial, sincronización de osciladores y modulador en anillo.
Notas: Mediante la correcta programación la paleta sonora de este chip es muy amplia. Se pueden combinar de diferentes maneras las diferentes formas de ondas.

¿Que necesitamos para recrear Chipsounds?:

- Oscilador con formas de ondas típicas como saw, square, triangle, sine.... aunque las más típicas sean las de tipo square.

- Modulación de ancho de pulso o PWM. Indispensable para algunos sonidos del C64 siendo el efecto muy notable, muy típico.

- Generador de ruido. Es tal vez la parte más "delicada" de la recreación debido a la naturaleza de los ruidos de estos generadores. No es ruido blanco tal cual si no que al parecer se "aleatorizan" ciertos aspectos de una onda básica dando como resultado ese ruido de baja calidad.

Al menos puedo aportar dos ideas, una seria la del uso de filtro + distorsión y otra la de algún tipo de waveshaper la cuestión es la de degradar el ruido. Por ejemplo, en Korg Radias se puede usar waveshaper en modo decimator, modo que reduce la resolución en bits degradando con ello la calidad de audio.

Por otro lado, y esto es una percepción personal, es que a veces me parece oir un ruido de tipo "pitched" es decir, con seguimiento de tono, como si fuese una onda convencional. En concreto como si fuese una onda de tipo cuadrada o square por debajo del ruido principal. Y no parece una mezcla de dos voces (oscilador-noise + oscilador) si no que el mismo ruido es tonal.

Para simular esto bastaria con usar ruido más un oscilador convencional. En un rompler el ruido con seguimiento de pitch puede ayudar a mejorar la recreación.

- Envolventes, principalmente para el amplificador (obvio) y pitch (para efectos de caida y/o subida de tono).

- LFO, para efecto vibrato (sine, triangle...) y con onda square para el clásico efecto arpegio/acorde.

- Otros como diferentes tipos de filtros, modulación en anillo...

¿Donde podemos oir estos clásicos sonidos?:

Clásicos juegos y sus sonidos en Amstrad CPC


Otros clásicos en Commodore C64


Compilacion Chiptune



continua...
1 respuesta directa
astropop
por el 12/02/2012
Como es lógico la paleta posible de sonidos es bastante amplia, pero propongo una paleta de tipo standard para simplificar, creo que cubren una buena cantidad de sonidos posibles.

Se trata de 3 sonidos base típicos y versiones "especiales" de los mismos.

Sonidos base:

1- Sonido con onda cuadrada o Square (bajos, leads...)
2- Sonido con modulación de ancho de pulso o PWM (bajos, leads...).
3- Noise (percusión, explosiones...).

Versiones especiales:

Square:
1a- Square con efecto tremolo.
1b- Square con arpegio basado en LFO (típico arpegio)
1c- Square con efecto pitch basado en LFO (efectos tipo sirenas y demás).
1d- Square con efecto pitch basado en envolvente para tono (típicos efectos laser).
1e- Square con efecto pitch basado en LFO+envolvente (efectos más complejos sobre pitch combinando ambos moduladores).

PWM (lo mismo que con square):
2a- PWM con efecto tremolo.
2b- PWM con arpegio basado en LFO (típico arpegio).
2c- PWM con efecto pitch basado en LFO (efectos tipo sirenas y demás).
2d- PWM con efecto pitch basado en envolvente para tono (típicos efectos laser).
2e- PWM con efecto pitch basado en LFO+envolvente (efectos más complejos sobre pitch combinando ambos moduladores).

Noise:
3a- Noise con efecto tremolo.
3b- Noise con seguimiento de tono (percusion+bajo, acompañamiento ...)
3c- Noise con efecto pitch basado en LFO+envolvente (ruido con seguimiento de tono para efectos laser, explosiones...)

¿Considerias que podemos añadir o simplificar más?

Saludos.
2 respuestas directas
astropop
por el 13/02/2012
He empezado a programar en el M3 (motor rompler) algunos sonidos característicos siguiendo los tipos que habia listado en el post anterior. He seguido el mismo método de programación que con la Simmons SDSV, en vez de programar sonidos específicos, he programado "módulos" que permiten crear un determinado tipo de sonido. Por ejemplo, uno dedicado a PWM o modulación de ancho de pulso. Los controles del panel del M3 controlarian la profundidad del efecto, ajuste de envolventes y tal.

Subo un primer ejemplo, muy simple. Se trata simplemente del sonido básico "SQUARE", válido para bajos y leads. Más adelante iré subiendo los otros, siguiendo un orden.

El sonido monofónico (obviamente) consta de dos osciladores por una finalidad concreta. Ambos son idénticos pero el segundo tiene la envolvente del amplificador procesada mediante una herramienta cuantizadora. Básicamente lo que hace es dividir los tiempos en pasos de forma que el aumento y disminución de nivel se hace de forma escalonada. Esto recrea una particularidad de las envolventes del Amstrad CPC, que podian ser escalonadas.

Se utiliza un filtro bpf o pasabanda con una pizca de resonancia. Drive para "degradar" un poco el sonido, Un efecto Unison a 2 voces con mucha desafinación que recrea muy bien algunos sonidos a dos voces típicos y un efecto vibrato.

Todo esto es controlable mediante los sliders del panel del M3:

1 Osc 1 level (oscilador con envolvente normal)
2 Osc 2 level (oscilador con envolvente cuantizada)
3 Attack
4 Release
5 Cutoff
6 Unison on/off
7 Vibrato on/off
8 Vibrato delay

En el ejempo chorra que subo suena primero el oscilador 1, despues unison, vibrato y oscilador 2 cuantizado.

Saludos.
Archivos adjuntos ( para descargar)
🎵 cs_square.mp3
ArquitectoAcero
por el 13/02/2012
#790 , #791 , #792

Excelente presentación, Astro. Como siempre de "chapeau". :ook:

Ese M3 es una gran maquina, y como ya te comenté con la SDSV, gran idea lo de programar un modulo en lugar de un simple sonido. Lastima que eso no esté al alcance de otros sintes. :oops:

Las muestras que has puesto son muy buenas, me imagino que el utilizar el filtro pasabanda es con el fin de conseguir el tufillo "lo-fi" de los 8 bits, no?

Dejo una muestra de la "scene Chiptune" a dia de hoy... uno de los grupos que mas me gustan,



Saludos,
1 respuesta directa
Soundprogramer mod
por el 13/02/2012
Yo estuve buscando ayer el manual de programación del Chip de sonido del Amstrad pero es que no se donde está. LLeva demasiado tiempo sin usarse el 6128.

Me parece interesante la lista de parámetros programables del chip para así poder simular la arquitectura de síntesis que funciona bién para el mismo.
A priori tenía una envolvente de amplitud del tipo ADSR, un control de altura tonal, un generador de ruido y 3 canales de sonido con onda cuadrada y LFO.

Voy a ver si lo encuentro porque sin esa info las simulaciones me parecerán menos acertadas.
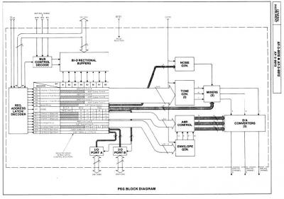
ArquitectoAcero
por el 13/02/2012
Aqui tenemos el diagrama de bloques del AY-3-8910/12/13.
Archivos adjuntos ( para descargar)
AY-3-8910_BlockDiagram.jpg
Nuevo post

Regístrate o para poder postear en este hilo

Música
Temas